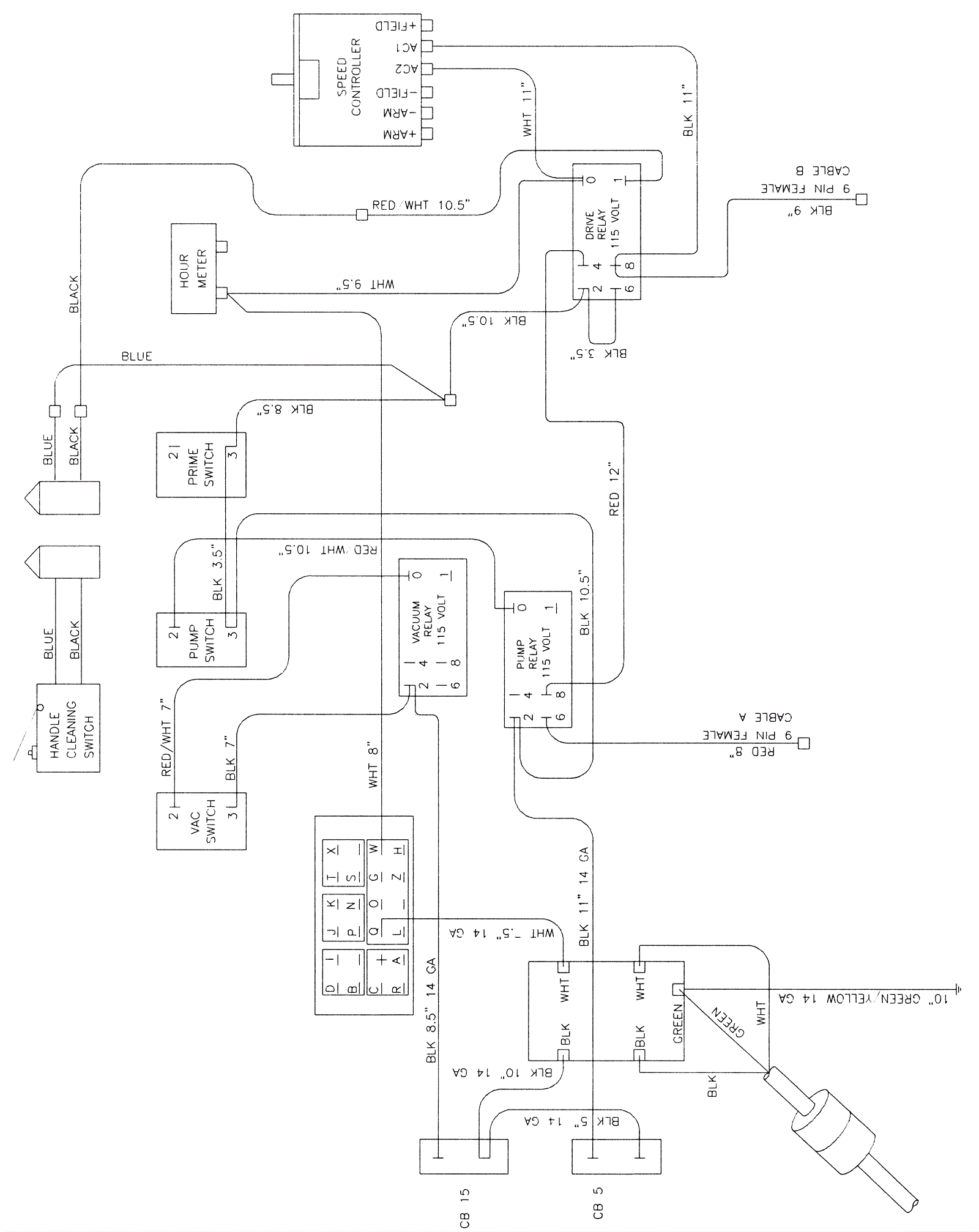
Wiring Diagram 6 - 115V without Cleaning Switch
Click to enlarge