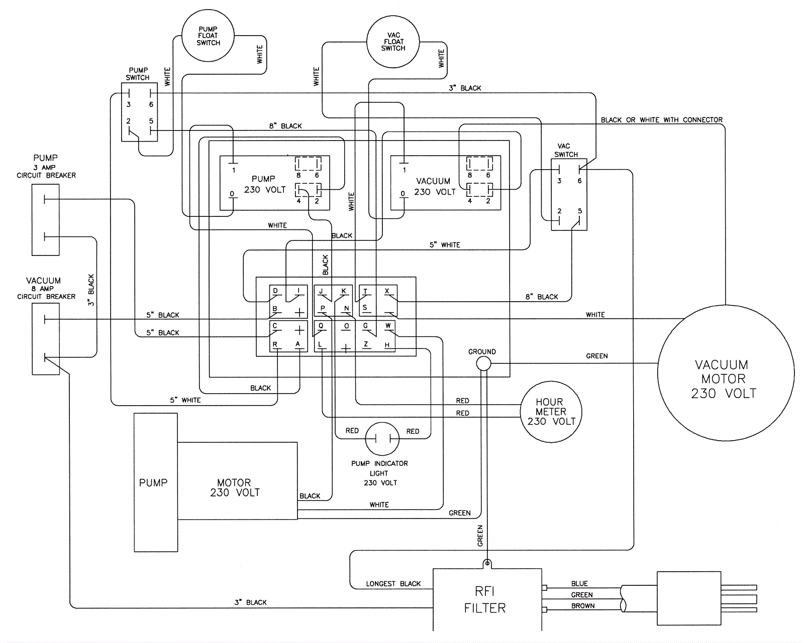
Wiring Diagram - Part 2
Click to enlarge