F5914-900 Entire Assembly

#PartDescriptionPriceReqNotesAvailability
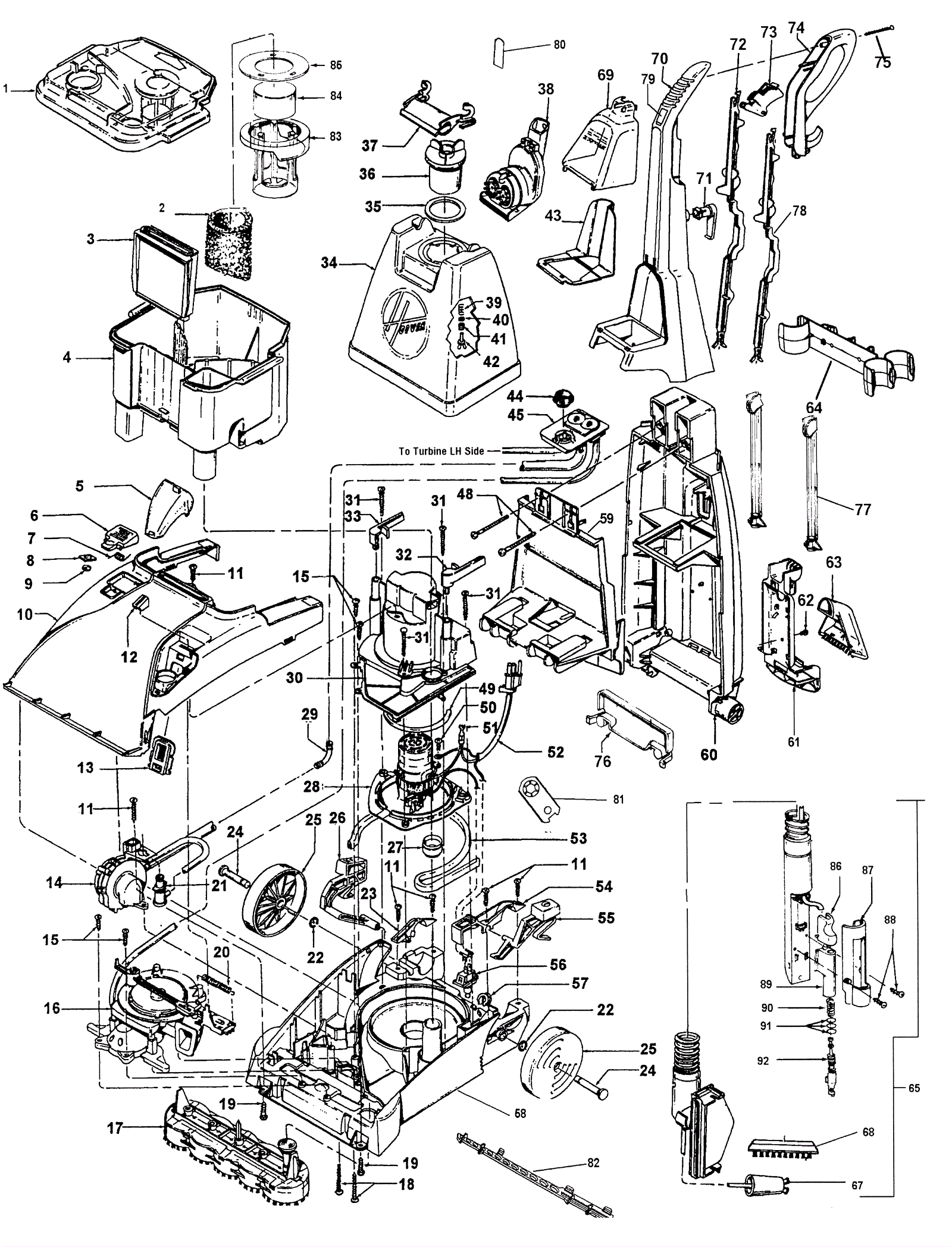
0.9835 215-4130 Lower handle $48.26 usually ships 1-5 days
014 215-0847 Pump assembly (OBSOLETE) $26.61 1 Includes item 021 usually ships 10-16 days
089 215-0855 Valve assembly (OBSOLETE) $1.98 1 usually ships 10-16 days
090 215-0856 Spring $2.05 1 usually ships 1-5 days
091 N/A Not available Call for price 1 Included with 092 usually ships 3-26 days
092 215-0857 Nozzle valve assembly (OBSOLETE) $5.28 1 usually ships 10-16 days