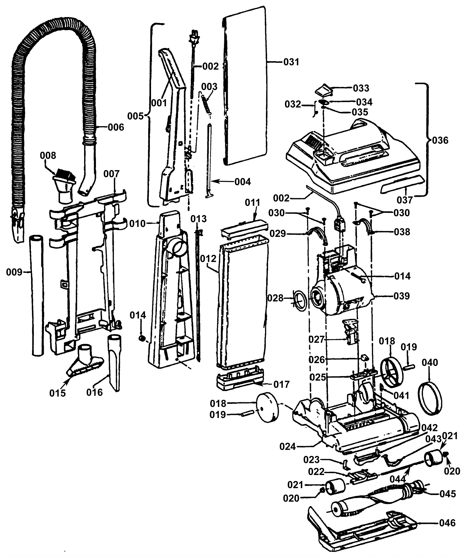
ELITE B U4266-940
Entire Assembly
Click to enlarge
#
Part
Description
Price
Req
Notes
Availability
040
215-0022
Drive belt
$1.43
1
usually ships 10-16 days
045
215-0413
Agitator assembly complete
$35.07
usually ships 1-5 days
N/S
215-0517
Type A bag (3 pack)
$5.50
usually ships 10-16 days