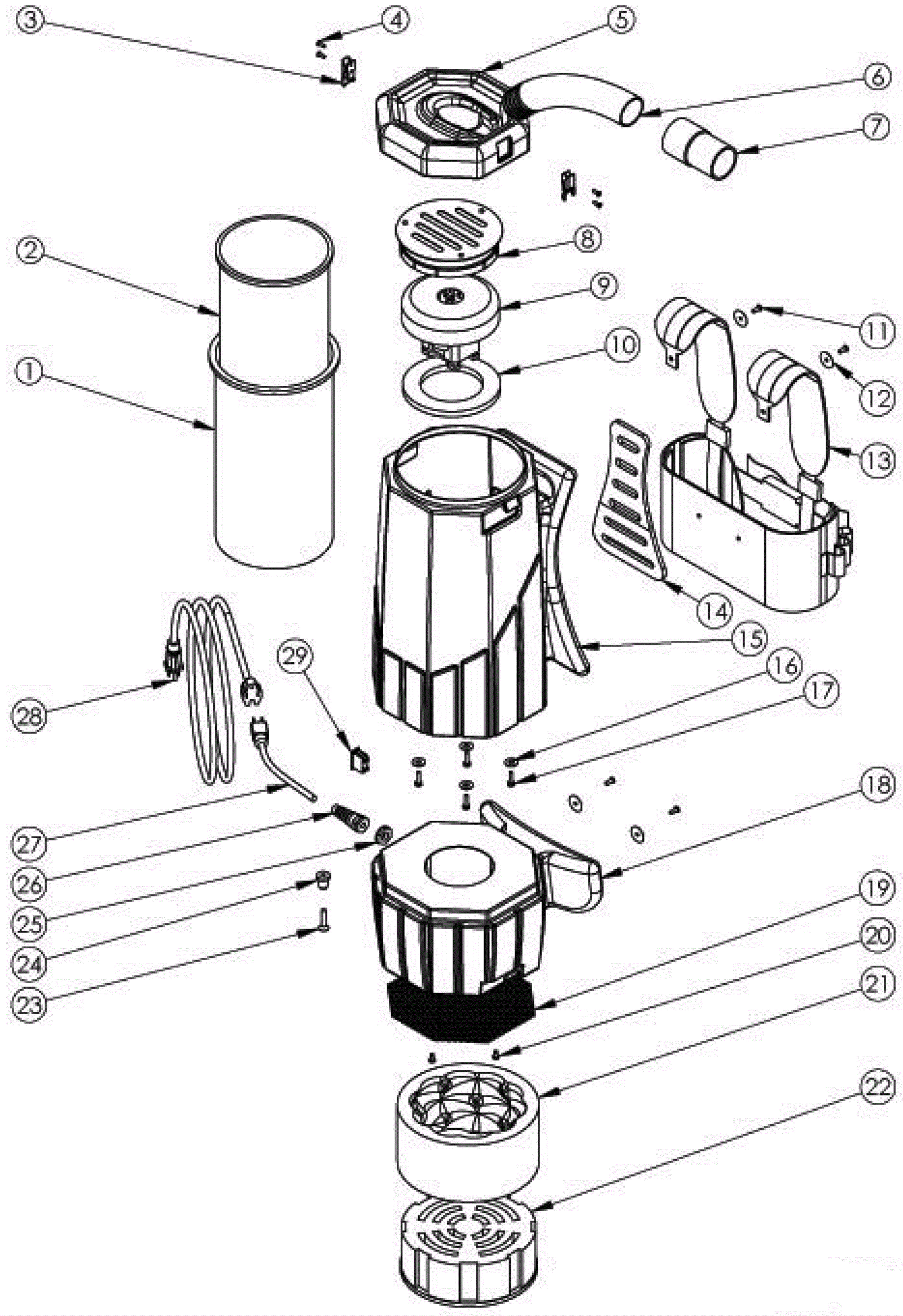
| # | Part | Description | Price | Req | Notes | Availability |
1 |
183-4216
|
Cloth filter bag (Obsolete) |
$26.40
|
1 |
|
usually ships 15-18 days |
2 |
991-9147
|
10qt paper vacuum bag (pkg of 10) |
$14.40
|
1 |
|
ships same day |
3 |
228-4030
|
Lid rivet |
$4.40
|
4 |
|
usually ships 1-5 days |
4 |
228-4029
|
Lid latch |
$11.00
|
2 |
|
usually ships 15-18 days |
5 |
N/A
|
Not available |
Call for price
|
1 |
(10 qt backpack lid orange) |
usually ships 3-26 days |
6 |
228-4194
|
Vacuum hose (sold by the foot) |
$13.20
|
4 |
|
usually ships 15-18 days |
7 |
228-4009
|
Swivel cuff (OBSOLETE) |
$22.00
|
1 |
|
usually ships 15-18 days |
8 |
228-4003
|
Complete dome filter w/bag support |
$24.20
|
1 |
|
ships same day |
9 |
228-4004
|
120V vacuum motor |
$224.40
|
1 |
|
usually ships 15-18 days |
10 |
228-4019
|
Vacuum motor gasket |
$11.00
|
1 |
|
usually ships 15-18 days |
11 |
228-8012
|
Screw (for shoulder and waist belts 228-7021) |
$3.30
|
4 |
|
usually ships 15-18 days |
12 |
228-8013
|
Washer (for shoulder and waist belts 228-7021) |
$6.60
|
4 |
|
usually ships 15-18 days |
13 |
228-7021
|
Shoulder and waist belt |
$79.20
|
1 |
|
usually ships 15-18 days |
14 |
189-6069
|
Cushioned back pad |
$9.85
|
1 |
|
usually ships 12-17 days |
15 |
N/A
|
Not available |
Call for price
|
1 |
(10 qt backpack tank black) |
usually ships 3-26 days |
16 |
999-6684
|
Washer 1/4 flat stainless steel |
$0.99
|
4 |
|
ships same day |
17 |
228-4020
|
Motor screw |
$6.60
|
4 |
|
usually ships 1-5 days |
18 |
228-4041
|
Backpack bottom (10 qt) |
$44.00
|
1 |
|
usually ships 15-18 days |
19 |
228-4034
|
Deflector plate (10 qt) |
$22.00
|
1 |
|
usually ships 15-18 days |
20 |
228-4022
|
Deflector screw |
$6.60
|
3 |
|
usually ships 1-5 days |
21 |
228-4023
|
Sound dampening band |
$35.20
|
1 |
|
usually ships 15-18 days |
22 |
228-7020
|
Noise filter |
$27.51
|
1 |
|
ships same day |
23 |
228-4024
|
Well nut screw |
$6.60
|
1 |
|
usually ships 1-5 days |
24 |
228-4025
|
Cord lock well nut |
$11.00
|
1 |
|
usually ships 1-5 days |
25 |
228-4162
|
Strain relief nut |
$4.40
|
1 |
|
usually ships 15-18 days |
26 |
218-0028
|
Strain relief |
$13.20
|
1 |
|
usually ships 15-18 days |
27 |
228-2007
|
Power cord |
$30.80
|
1 |
|
usually ships 1-5 days |
28 |
228-2008
|
Electric cord |
$69.69
|
1 |
|
usually ships 15-18 days |
29 |
228-4002
|
Switch |
$16.50
|
1 |
|
usually ships 15-18 days |
N/S |
228-4026
|
Upholstery tool 5 inch |
$35.20
|
1 |
|
usually ships 1-5 days |
N/S |
228-4000
|
Scalloped floor tool 14in |
$50.60
|
1 |
|
usually ships 15-18 days |
N/S |
228-4027
|
Crevice tool 17 inch |
$52.80
|
1 |
|
usually ships 15-18 days |
N/S |
N/A
|
Not available |
Call for price
|
1 |
(4 inch horsehair dust brush) |
usually ships 3-26 days |
N/S |
239-0698
|
Wand |
$40.27
|
1 |
|
usually ships 10-16 days |