LIBERATOR
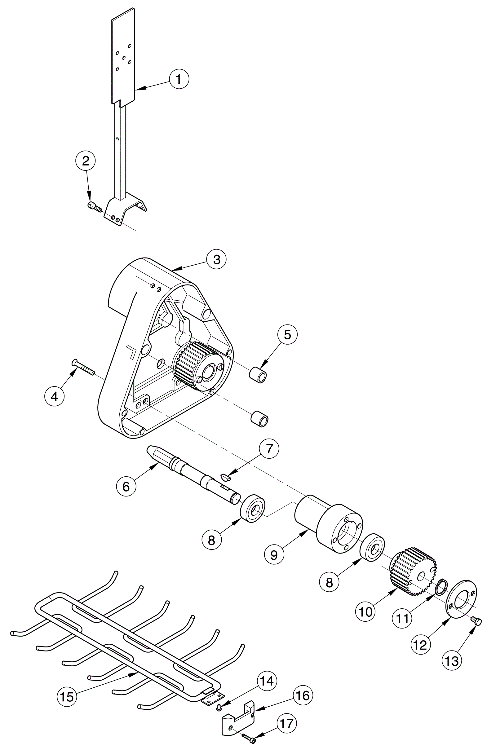
Gear Case Assembly - Outer
Click to enlarge
#
Part
Description
Price
Req
Notes
Availability
15
212-0013
Brush guard assembly (OBSOLETE)
$104.39
1
usually ships 16-34 days