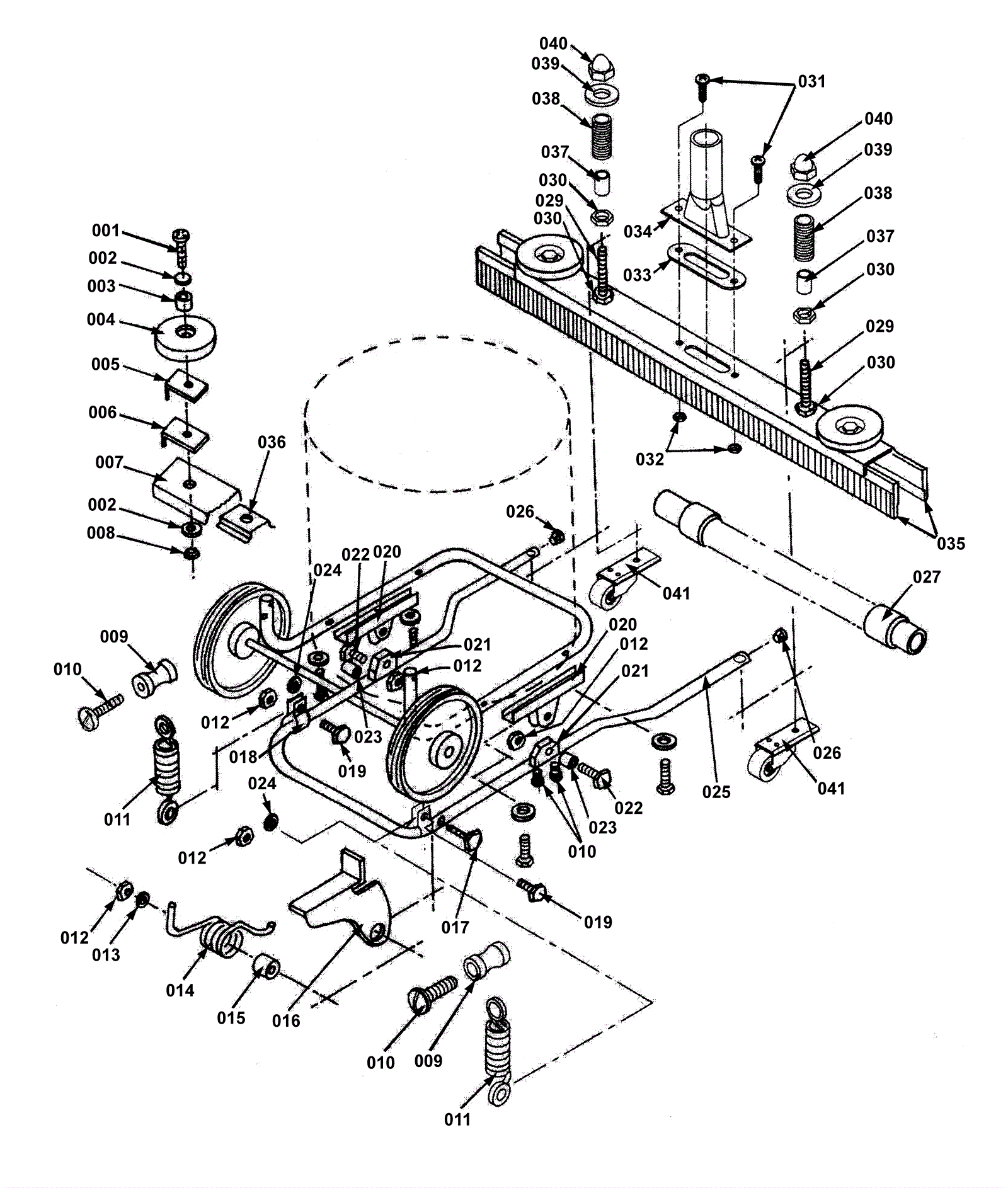
Squeegee Assembly
Click to enlarge