| # | Part | Description | Price | Req | Notes | Availability |
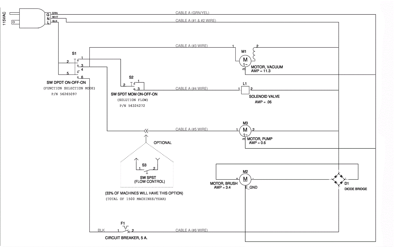
D1 |
172-4139
|
35amp rectifier |
$14.41
|
1 |
|
ships same day |
F1 |
170-5173
|
Circuit breaker |
$14.41
|
1 |
|
usually ships 13-18 days |
L1a |
272-0340
|
Solenoid valve |
$288.88
|
1 |
|
ships same day |
L1b |
272-5558
|
Solenoid valve (OBSOLETE) |
$697.08
|
1 |
|
usually ships 13-18 days |
M1a |
272-0544
|
120V 3 stage vacuum motor |
$288.88
|
1 |
|
ships same day |
M1b |
272-2666
|
Carbon brush (pkg of 2) |
$50.45
|
1 |
|
usually ships 13-18 days |
M2 |
272-0521
|
115V brush motor |
$463.53
|
1 |
|
ships same day |
M3a |
272-8143
|
115V 60 PSI pump |
$489.15
|
1 |
|
usually ships 13-18 days |
M3b |
170-2964
|
115V pump |
$801.96
|
1 |
|
usually ships 1-5 days |
S1 |
272-0486
|
3 position rocker switch |
$37.27
|
1 |
|
usually ships 13-18 days |
S2 |
172-2157
|
Rocker switch DPDT |
$86.94
|
1 |
|
usually ships 13-18 days |
S3 |
170-1465
|
Variable speed control (OBSOLETE) |
$190.08
|
1 |
|
usually ships 13-18 days |
N/S |
272-1216
|
Wire assembly |
$8.80
|
1 |
|
usually ships 1-5 days |
N/S |
272-1215
|
Wire assembly |
$49.91
|
1 |
|
usually ships 13-18 days |