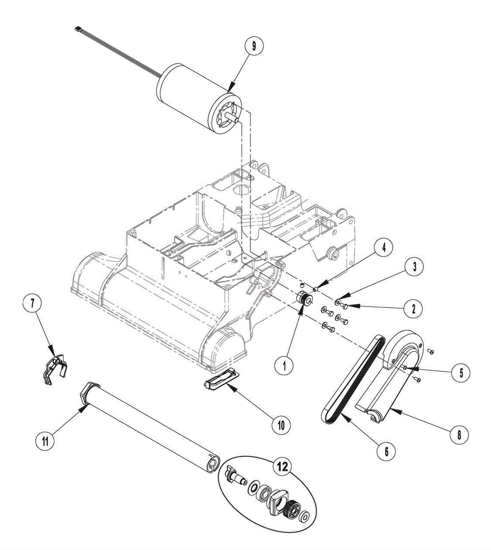
| # | Part | Description | Price | Req | Notes | Availability |
1 |
172-4048
|
Pulley |
$100.16
|
1 |
|
usually ships 13-18 days |
2 |
170-5172
|
Brush assembly hardware kit (OBSOLETE) |
$7.91
|
4 |
(screw) |
usually ships 13-18 days |
3 |
170-5172
|
Brush assembly hardware kit (OBSOLETE) |
$7.91
|
4 |
(washer) |
usually ships 13-18 days |
4 |
170-5172
|
Brush assembly hardware kit (OBSOLETE) |
$7.91
|
2 |
(screw) |
usually ships 13-18 days |
5 |
272-9978
|
Screw 10-14 x 1/2 pan head phillips plastite |
$11.35
|
3 |
|
usually ships 13-18 days |
6 |
272-0518
|
Poly v-belt |
$14.41
|
1 |
|
ships same day |
7 |
272-0519
|
Brush retainer clip |
$20.91
|
1 |
|
ships same day |
8 |
272-0520
|
Belt guard |
$16.20
|
1 |
|
usually ships 13-18 days |
9 |
272-0521
|
115V brush motor |
$463.53
|
1 |
|
ships same day |
10 |
272-0522
|
Pulley cover |
$14.41
|
1 |
|
ships same day |
11a |
272-3499
|
16 inch nylon brush assembly |
$201.03
|
1 |
(agitator 16 only) |
usually ships 13-18 days |
11b |
272-3538
|
18 inch nylon brush assembly |
$256.89
|
1 |
(agitator 18 only) |
usually ships 13-18 days |
12 |
272-0517
|
Bearing and spindle kit |
$66.03
|
1 |
|
ships same day |
KIT 1 |
170-5172
|
Brush assembly hardware kit (OBSOLETE) |
$7.91
|
1 |
(includes 2-4) |
usually ships 13-18 days |