| # | Part | Description | Price | Req | Notes | Availability |
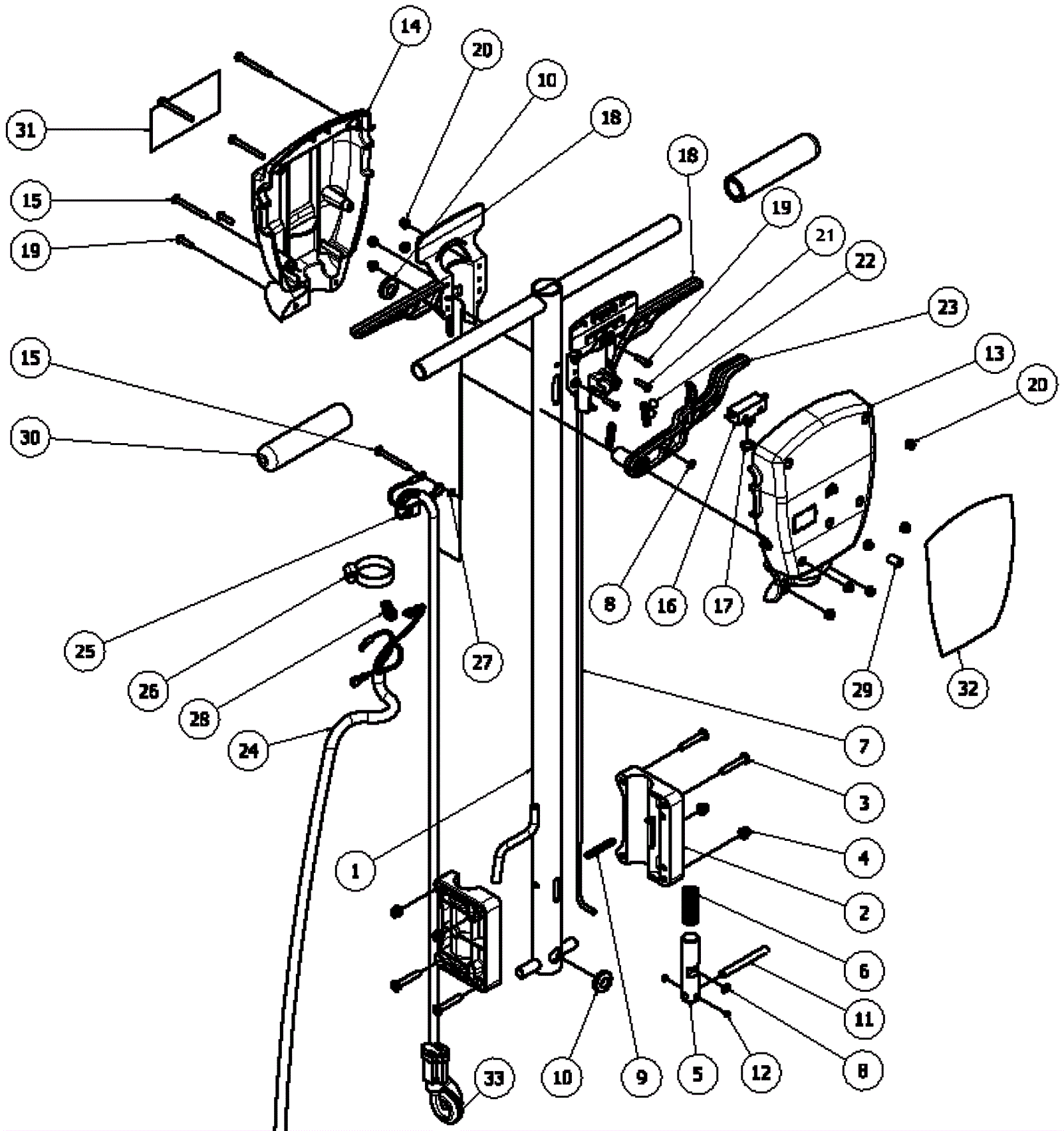
1 |
206-1297
|
Handle weldment |
$125.27
|
1 |
|
usually ships 13-21 days |
2 |
206-1298
|
Handle clamp block |
$11.57
|
2 |
|
usually ships 13-21 days |
3 |
999-0523
|
Screw 1/4-20 x 1 1/2 pan head phillips stainless steel |
$0.99
|
4 |
|
ships same day |
4 |
999-0152
|
Nut 1/4-20 nylon insert lock zinc plated |
$0.99
|
4 |
|
ships same day |
5 |
206-1299
|
Plunger handle |
$76.63
|
1 |
|
usually ships 1-5 days |
6 |
206-1300
|
Compression spring |
$8.69
|
1 |
|
usually ships 13-21 days |
7 |
206-1301
|
Long handle rod |
$25.63
|
1 |
|
usually ships 13-21 days |
8 |
206-1302
|
3/16 inch retaining ring |
$2.40
|
2 |
|
usually ships 13-21 days |
9 |
206-1303
|
Spring pin 1/4 x 1 3/4 |
$1.96
|
1 |
|
usually ships 1-5 days |
10 |
206-1304
|
Grommet |
$4.22
|
2 |
|
usually ships 13-21 days |
11 |
206-1305
|
Dowel pin 5/16 x 3 |
$9.32
|
1 |
|
usually ships 13-21 days |
12 |
999-0156
|
Screw 1/4-20 x 3/16 cup point socket set alloy plain finish |
$0.99
|
2 |
|
ships same day |
13 |
206-1306
|
Front housing |
$27.13
|
1 |
|
usually ships 13-21 days |
14 |
206-1307
|
Rear housing |
$23.93
|
1 |
|
usually ships 13-21 days |
15 |
999-1818
|
Screw 10-32 x 2 pan head phillips stainless steel |
$1.80
|
5 |
|
ships same day |
16 |
217-0014
|
On/off switch |
$42.96
|
1 |
|
usually ships 13-21 days |
17 |
999-0201
|
Washer 3/8 internal star lock |
$0.99
|
1 |
|
ships same day |
18 |
206-1309
|
Molded trigger |
$11.12
|
2 |
|
ships same day |
19 |
999-0414
|
Screw 10-32 x 3/4 pan head slotted zinc plated |
$0.99
|
6 |
|
ships same day |
20 |
206-5019
|
Nut 10-32 elastic stop |
$3.14
|
11 |
|
usually ships 13-21 days |
21 |
206-3387
|
Extension spring |
$18.32
|
2 |
|
usually ships 13-21 days |
22 |
206-1310
|
Ball bearing 3/8 |
$46.78
|
2 |
|
usually ships 13-21 days |
23 |
206-1311
|
Trigger |
$8.25
|
1 |
|
usually ships 13-21 days |
24 |
991-5005
|
14/3 replacement power cord 50 foot (yellow) |
$108.51
|
1 |
|
ships same day |
25 |
206-1246
|
Handle cord assembly |
$48.35
|
1 |
|
usually ships 13-21 days |
26 |
206-0071
|
Clamp |
$7.23
|
1 |
|
usually ships 13-21 days |
27 |
206-5030
|
Washer 10 counter sink |
$2.57
|
1 |
|
usually ships 13-21 days |
28 |
206-1313
|
Cable tie |
$2.57
|
1 |
|
usually ships 1-5 days |
29 |
206-0099
|
1/4 inch hose (clear) (sold by the inch) |
$4.08
|
1 |
|
usually ships 13-21 days |
30 |
206-1314
|
Closed grip |
$10.45
|
2 |
|
usually ships 13-21 days |
31 |
206-1244
|
Warning decal |
$10.33
|
1 |
|
usually ships 13-21 days |
32 |
206-1315
|
Decal |
$25.61
|
1 |
|
usually ships 13-21 days |
33 |
206-3135
|
Grommet |
$4.50
|
1 |
|
usually ships 1-5 days |