# | Part | Description | Price | Req | Notes | Availability |
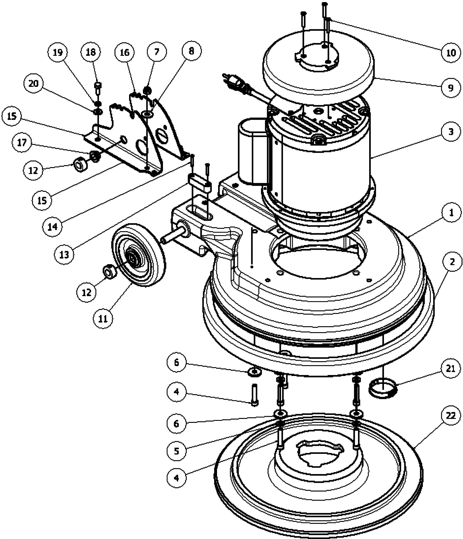
1 |
206-1285
|
17 inch rotomold base |
$148.56
|
1 |
|
usually ships 13-21 days |
2 |
206-5050
|
17 inch bumper |
$90.27
|
1 |
|
usually ships 13-21 days |
3 |
206-1286
|
Motor |
$1,292.78
|
1 |
|
usually ships 13-21 days |
4 |
999-0131
|
Screw 5/16-18 x 1 1/2 socket head stainless steel |
$2.86
|
6 |
|
ships same day |
5 |
999-0553
|
Washer 5/16 medium split lock stainless steel |
$0.99
|
4 |
|
ships same day |
6 |
999-1364
|
Washer 5/16 x 1 fender zinc finish |
$0.99
|
6 |
|
ships same day |
7 |
999-0593
|
Nut 5/16-18 hex stainless steel |
$0.99
|
2 |
|
ships same day |
8 |
206-5233
|
Washer 5/16 x .040 flat |
$2.59
|
2 |
|
ships same day |
9 |
206-5052
|
Drip cover |
$17.92
|
1 |
|
usually ships 13-21 days |
10 |
999-1914
|
Screw 10-32 x 1 1/4 oval head phillips SS |
$0.99
|
3 |
|
ships same day |
11 |
217-0525
|
Wheels |
$45.31
|
2 |
|
usually ships 13-21 days |
12 |
206-1287
|
1/2 inch clamp collar |
$6.16
|
4 |
|
ships same day |
13 |
206-1288
|
Level indicator |
$54.70
|
1 |
|
usually ships 1-5 days |
14 |
206-1289
|
Screw tapping #6 x 1 |
$2.57
|
2 |
|
usually ships 1-5 days |
15 |
206-1290
|
Right hand handle bracket |
$58.17
|
1 |
|
usually ships 1-5 days |
16 |
206-1291
|
Left hand handle bracket |
$66.29
|
1 |
|
usually ships 13-21 days |
17 |
206-3301
|
Flange bushing |
$11.84
|
2 |
|
usually ships 13-21 days |
18 |
999-1099
|
Bolt 1/4-20 x 3/4 hex head stainless steel |
$0.99
|
2 |
|
ships same day |
19 |
999-0060
|
Washer 1/4 split lock plain finish |
$0.99
|
2 |
|
ships same day |
20 |
206-4820
|
Washer |
$3.14
|
2 |
|
usually ships 13-21 days |
21 |
206-1292
|
2 inch hole plug |
$2.57
|
1 |
|
usually ships 1-5 days |
22 |
206-0850
|
16 inch trilock pad driver assembly |
$86.10
|
1 |
|
usually ships 13-21 days |