| # | Part | Description | Price | Req | Notes | Availability |
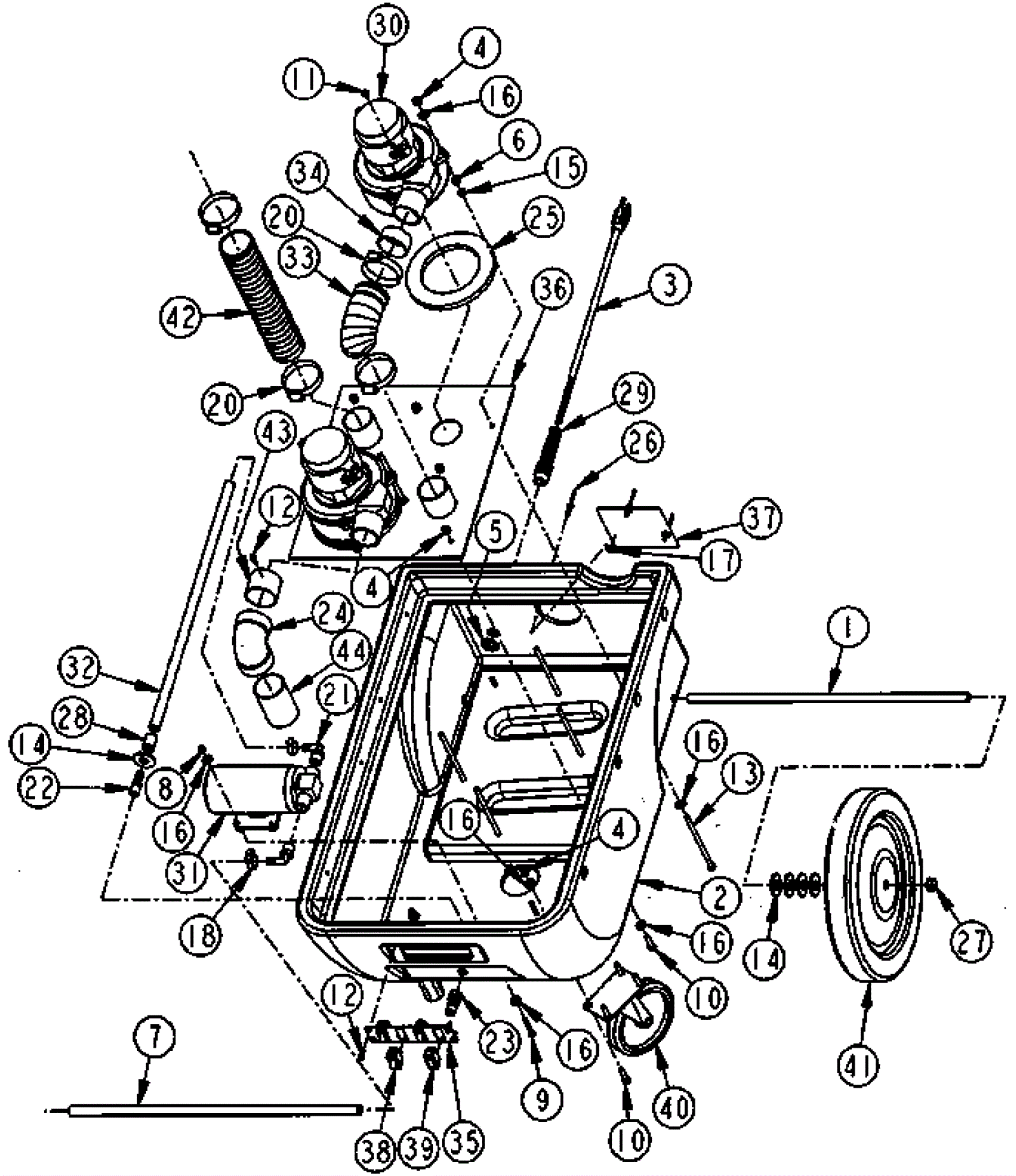
1 |
206-1207
|
Axle rod |
$28.35
|
1 |
|
usually ships 13-21 days |
2 |
206-1187
|
Base (black) |
$192.80
|
1 |
|
usually ships 1-5 days |
3a |
206-1208
|
16/3 power cord 25 foot |
$147.26
|
1 |
(OEM) |
usually ships 1-5 days |
3b |
991-5006
|
16/3 replacement power cord 50 foot (yellow) |
$49.95
|
1 |
(NON-OEM) |
ships same day |
4 |
999-0152
|
Nut 1/4-20 nylon insert lock zinc plated |
$0.99
|
16 |
|
ships same day |
5 |
206-3539
|
Nut 1/2 NPT |
$5.26
|
1 |
|
usually ships 13-21 days |
6 |
999-0190
|
Nut 1/4-20 hex plain finish |
$0.99
|
6 |
|
ships same day |
7 |
206-1209
|
Solution hose |
$22.88
|
1 |
|
usually ships 1-5 days |
8 |
999-1353
|
Nut 10-32 hex nylon lock insert stainless steel |
$0.99
|
2 |
|
ships same day |
9 |
999-1631
|
Screw 10-32 x 1 1/2 pan head phillips stainless steel |
$0.99
|
2 |
|
usually ships 1-5 days |
10 |
999-0830
|
Screw 1/4-20 x 1 hex head plain finish |
$0.99
|
10 |
|
ships same day |
11 |
206-3750
|
Screw 10 x 3/8 hex head washer (OBSOLETE) |
Call for price
|
2 |
|
usually ships 1-5 days |
12 |
206-3751
|
Screw 8 x 5/8 hex head washer |
$4.64
|
5 |
|
usually ships 1-5 days |
13 |
206-3752
|
Screw 1/4-20 x 5 hex head zinc (OBSOLETE) |
Call for price
|
6 |
|
usually ships 1-5 days |
14 |
206-3165
|
Washer flat (OBSOLETE) |
Call for price
|
9 |
|
usually ships 13-21 days |
15 |
206-3753
|
Washer 1/4 medium split (OBSOLETE) |
Call for price
|
6 |
|
usually ships 1-5 days |
16 |
206-4820
|
Washer |
$3.14
|
26 |
|
usually ships 13-21 days |
17 |
999-0998
|
Washer #10 flat stainless steel |
$0.99
|
3 |
|
ships same day |
18 |
206-0080
|
Hose clamp |
$5.66
|
2 |
|
usually ships 13-21 days |
20 |
206-1210
|
Hose clamp (OBSOLETE) |
Call for price
|
4 |
|
usually ships 1-5 days |
21 |
206-1211
|
Male elbow |
$4.78
|
2 |
|
usually ships 13-21 days |
22 |
206-0081
|
Fitting 3/8h x 1/4mpt (OBSOLETE) |
$9.94
|
1 |
|
usually ships 13-21 days |
23 |
206-0083
|
Quick connect male |
$25.08
|
1 |
|
usually ships 13-21 days |
24 |
206-1212
|
Elbow |
$5.71
|
1 |
|
usually ships 1-5 days |
25 |
206-0065
|
Vacuum motor gasket |
$32.35
|
2 |
|
usually ships 13-21 days |
26 |
206-1213
|
Rivet (OBSOLETE) |
Call for price
|
3 |
|
usually ships 1-5 days |
27 |
206-1120
|
Snap axle cap |
$8.46
|
2 |
|
usually ships 13-21 days |
28 |
206-1214
|
Ferrule solution hose (OBSOLETE) |
Call for price
|
1 |
|
usually ships 1-5 days |
29 |
206-1102
|
Strain relief |
$29.49
|
1 |
|
usually ships 13-21 days |
30 |
206-1215
|
2 stage vacuum motor tangential (OBSOLETE) |
$312.69
|
2 |
|
usually ships 13-21 days |
31 |
217-0066
|
115V 100 PSI pump |
$506.58
|
1 |
|
usually ships 13-21 days |
32 |
206-1216
|
19 inch solution hose |
$8.55
|
1 |
|
usually ships 1-5 days |
33 |
206-1217
|
Hose |
$13.64
|
1 |
|
usually ships 1-5 days |
34 |
206-1200
|
PVC pipe |
$143.19
|
1 |
|
usually ships 1-5 days |
35 |
206-1218
|
Switch plate |
$78.23
|
1 |
|
usually ships 1-5 days |
36 |
206-1219
|
Motor mounting plate |
$166.54
|
1 |
|
usually ships 1-5 days |
37 |
206-1220
|
Vacuum guard screen (OBSOLETE) |
$12.83
|
2 |
|
usually ships 1-5 days |
38 |
206-0045
|
On/Off rocker switch |
$9.31
|
3 |
|
usually ships 13-21 days |
39 |
206-1221
|
Switch |
$12.28
|
1 |
|
usually ships 1-5 days |
40 |
206-1222
|
Swivel caster |
$40.93
|
2 |
|
usually ships 13-21 days |
41 |
206-1223
|
Wheel (OBSOLETE) |
$104.36
|
2 |
|
usually ships 13-21 days |
42 |
206-1224
|
Hose |
$17.63
|
1 |
|
usually ships 13-21 days |