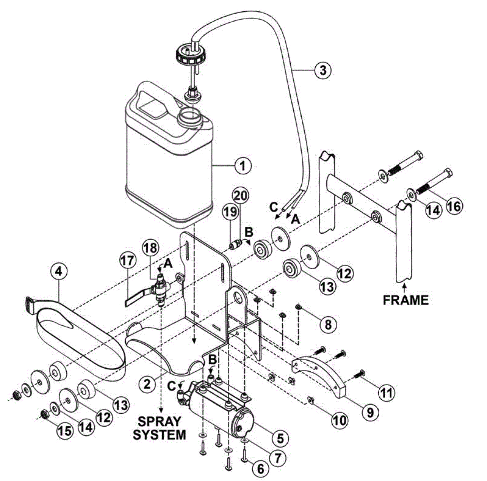
| # | Part | Description | Price | Req | Notes | Availability |
1 |
206-6318
|
3-gallon bottle cartridge |
$86.87
|
1 |
|
usually ships 1-5 days |
2 |
206-6319
|
Cage assembly |
$1,279.38
|
1 |
|
usually ships 1-5 days |
3 |
206-6320
|
Bottle cap assembly |
$337.90
|
1 |
|
usually ships 1-5 days |
4 |
206-6321
|
Velcro strap 2 x 36 inch (pk of 2) |
$234.92
|
1 |
|
usually ships 1-5 days |
5 |
206-6322
|
120v pump |
$908.67
|
1 |
|
usually ships 1-5 days |
6 |
206-6323
|
Screw 6-32 x 1 1/4 inch |
$16.31
|
4 |
|
usually ships 1-5 days |
7 |
999-6688
|
Nut 6-32 hex nylon insert lock stainless steel |
$0.99
|
4 |
|
usually ships 16-20 days |
8 |
206-6324
|
Washer |
$15.14
|
4 |
|
usually ships 1-5 days |
9 |
206-6325
|
Motor stop |
$112.31
|
1 |
|
usually ships 1-5 days |
10 |
206-1757
|
Bumper threaded insert |
$17.74
|
3 |
|
usually ships 13-21 days |
11 |
206-1744
|
Rear motor cover mounting screw 1/4-20 x 1 inch |
$234.44
|
3 |
|
usually ships 13-21 days |
12 |
206-6326
|
Washer 1/2 x 2 1/4 inch |
$87.79
|
4 |
|
usually ships 1-5 days |
13 |
206-6327
|
Rubber damper |
$38.38
|
4 |
|
usually ships 1-5 days |
14 |
206-6317
|
Washer plastic |
$16.02
|
2 |
|
usually ships 1-5 days |
15 |
206-6316
|
Nut hex lock |
$16.02
|
2 |
|
usually ships 1-5 days |
16 |
206-6328
|
Screw 1/2-13 x 4-1/2 inch |
$28.07
|
2 |
|
usually ships 1-5 days |
17 |
206-6310
|
3-way control valve assembly |
$168.41
|
1 |
|
usually ships 13-21 days |
18 |
206-6329
|
Flow control quick connect coupler |
$37.49
|
2 |
|
usually ships 1-5 days |
19 |
206-6330
|
Hex nipple pipe |
$22.48
|
1 |
|
usually ships 1-5 days |
20 |
206-6331
|
Flow control coupler |
$28.95
|
1 |
|
usually ships 1-5 days |