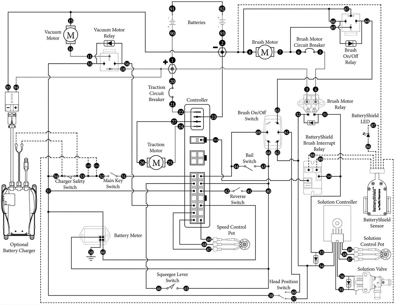
Wiring Diagram - Traction Disk Drive After SN 113190
Click to enlarge