| # | Part | Description | Price | Req | Notes | Availability |
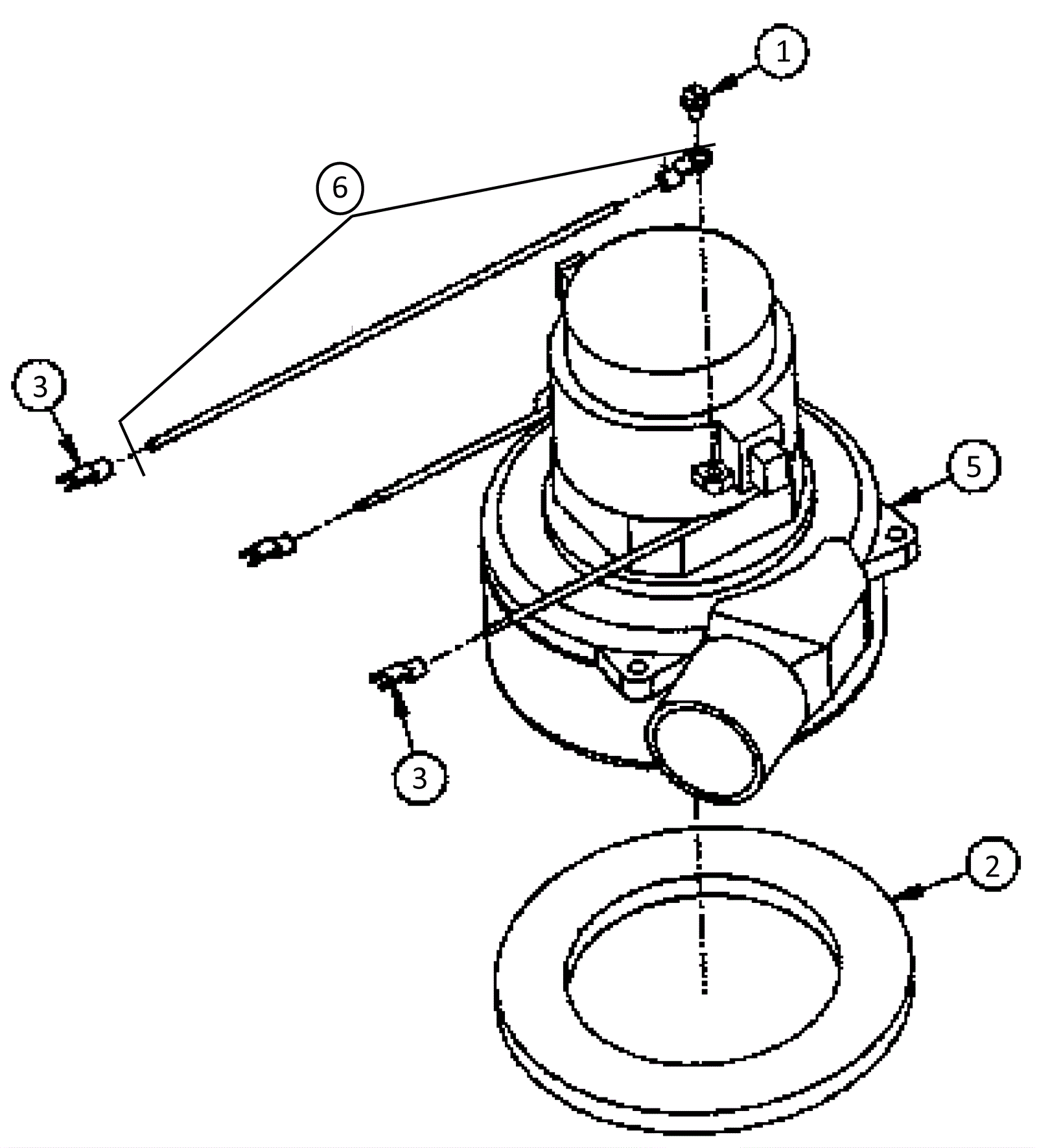
1 |
999-1350
|
Screw 10-32 x 1/2 inch phillips pan head stainless steel |
$0.99
|
1 |
|
ships same day |
2 |
206-0065
|
Vacuum motor gasket |
$32.35
|
1 |
|
usually ships 13-21 days |
3 |
206-3581
|
Spade terminal (OBSOLETE) |
$3.47
|
3 |
|
usually ships 13-21 days |
5a |
206-3554
|
115V 3 stage vacuum motor |
$483.21
|
1 |
|
usually ships 13-21 days |
5b |
206-1803
|
230V 3 stage vac motor |
$531.59
|
1 |
|
usually ships 13-21 days |
6 |
206-3582
|
Lead assembly (OBSOLETE) |
Call for price
|
1 |
|
usually ships 1-5 days |