# | Part | Description | Price | Req | Notes | Availability |
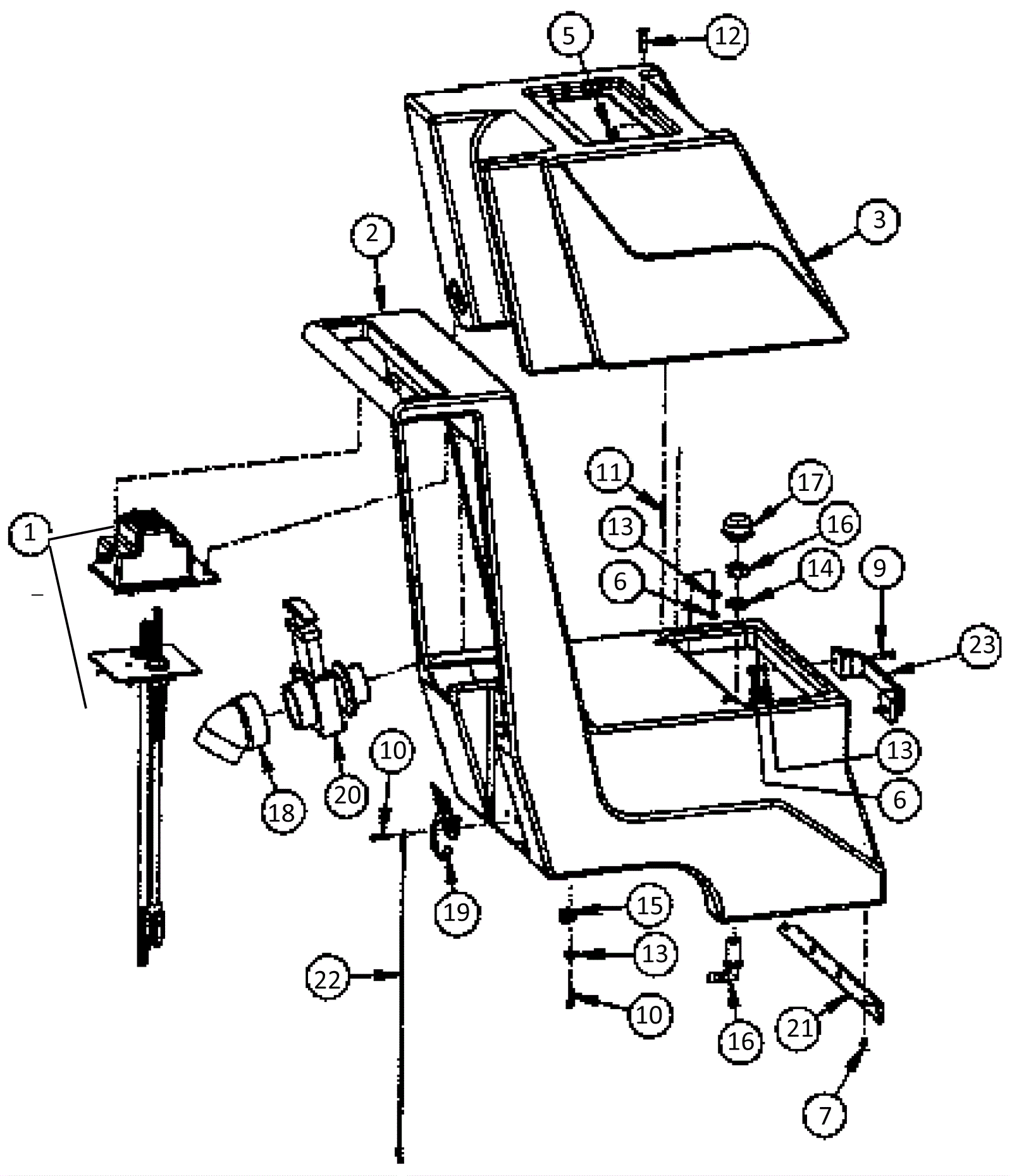
1 |
N/A
|
Not available |
Call for price
|
1 |
(see Control Box Assembly) |
usually ships 3-26 days |
2 |
206-3573
|
Solution tank |
$389.33
|
1 |
|
usually ships 1-5 days |
3 |
206-3574
|
Recovery tank |
$134.92
|
1 |
|
usually ships 1-5 days |
5 |
999-0294
|
Nut 1/4-20 hex nylon lock type NE stainless steel |
$1.18
|
1 |
|
ships same day |
6 |
999-1353
|
Nut 10-32 hex nylon lock insert stainless steel |
$0.99
|
1 |
|
ships same day |
7 |
206-3575
|
Screw 10-32 x 5/16 flat head |
$3.47
|
3 |
|
usually ships 13-21 days |
9 |
999-9067
|
Screw 10-32 x 1 pan head phillips zinc plated |
$0.99
|
2 |
|
usually ships 1-5 days |
10 |
999-0705
|
Screw 10-24 x 3/4 pan head phillips stainless steel |
$0.99
|
2 |
|
ships same day |
11 |
206-3576
|
Stud |
$3.00
|
4 |
|
usually ships 1-5 days |
12 |
206-3577
|
Screw 1/4-20 x 1 stainless steel |
$3.47
|
1 |
|
usually ships 1-5 days |
13 |
206-4820
|
Washer |
$3.14
|
1 |
|
usually ships 13-21 days |
14 |
206-0160
|
Garden hose washer |
$2.71
|
1 |
|
usually ships 1-5 days |
15 |
206-3578
|
1/2 inch cable clamp |
$3.47
|
1 |
|
usually ships 1-5 days |
16 |
206-1205
|
Jet body |
$18.20
|
1 |
|
usually ships 13-21 days |
17 |
217-0032
|
Clean water screen (OBSOLETE) |
$22.04
|
1 |
|
usually ships 13-21 days |
18 |
206-1194
|
Elbow |
$14.99
|
1 |
|
usually ships 13-21 days |
19 |
206-3579
|
Clamp |
$18.85
|
1 |
|
usually ships 13-21 days |
20 |
217-0029
|
Dump valve |
$63.70
|
1 |
|
usually ships 13-21 days |
21 |
206-1185
|
Hinge |
$52.37
|
1 |
|
usually ships 1-5 days |
22 |
206-1171
|
Lanyard |
$7.58
|
1 |
|
usually ships 1-5 days |
23 |
206-1206
|
Handle |
$7.83
|
1 |
|
usually ships 1-5 days |