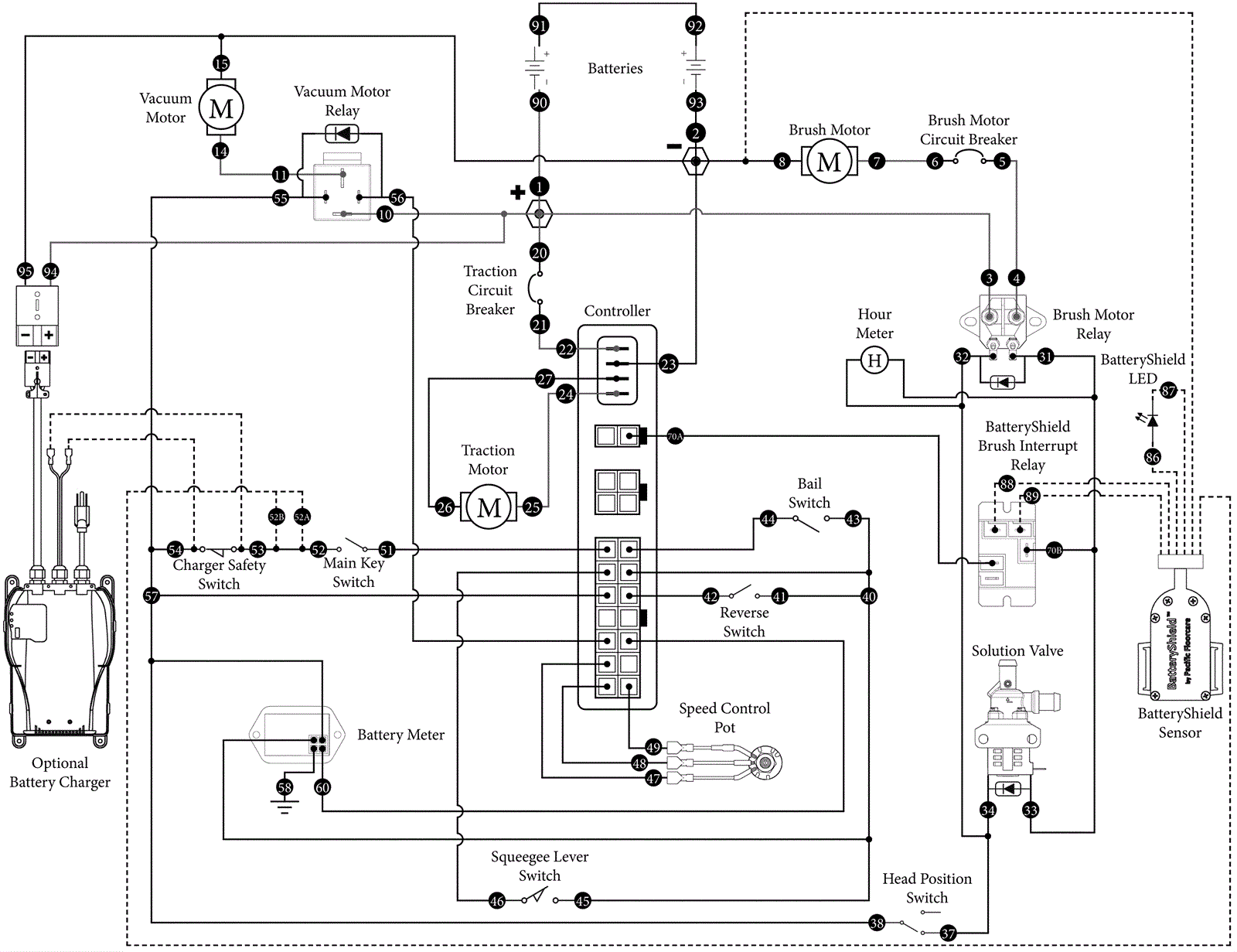
Wiring Diagram - Before SN 113191
Click to enlarge