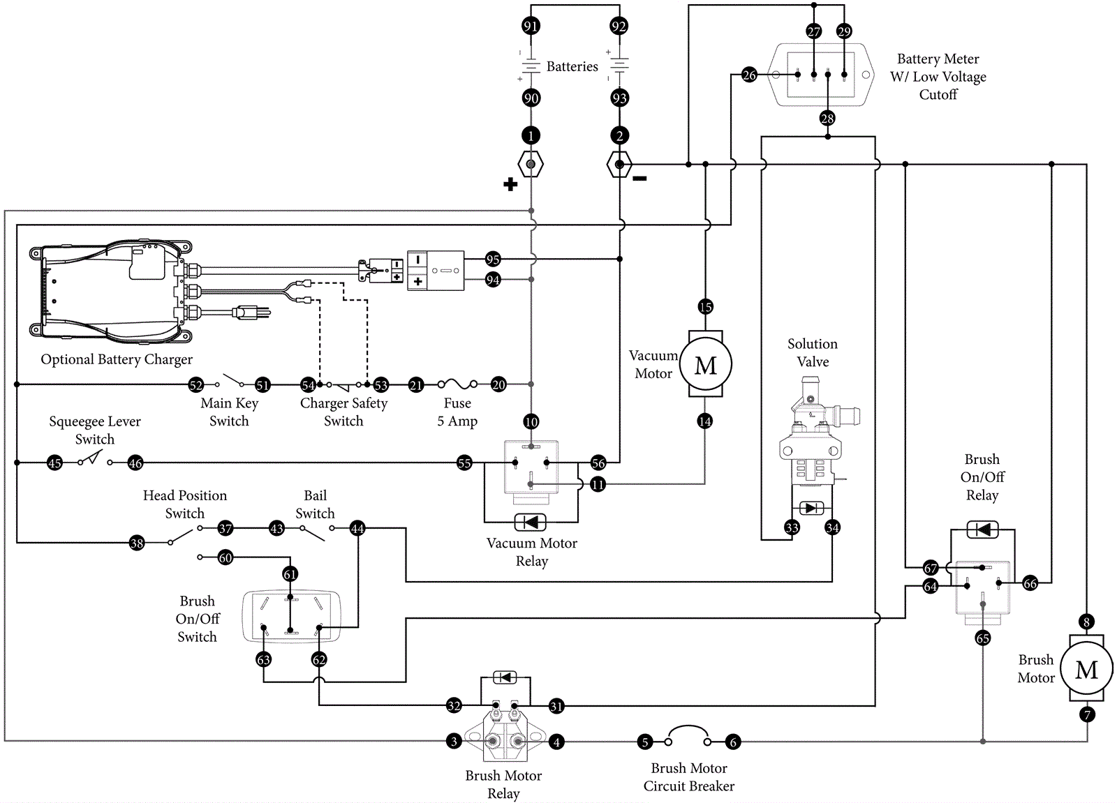
Wiring Diagram - Pad/Brush Assist
Click to enlarge