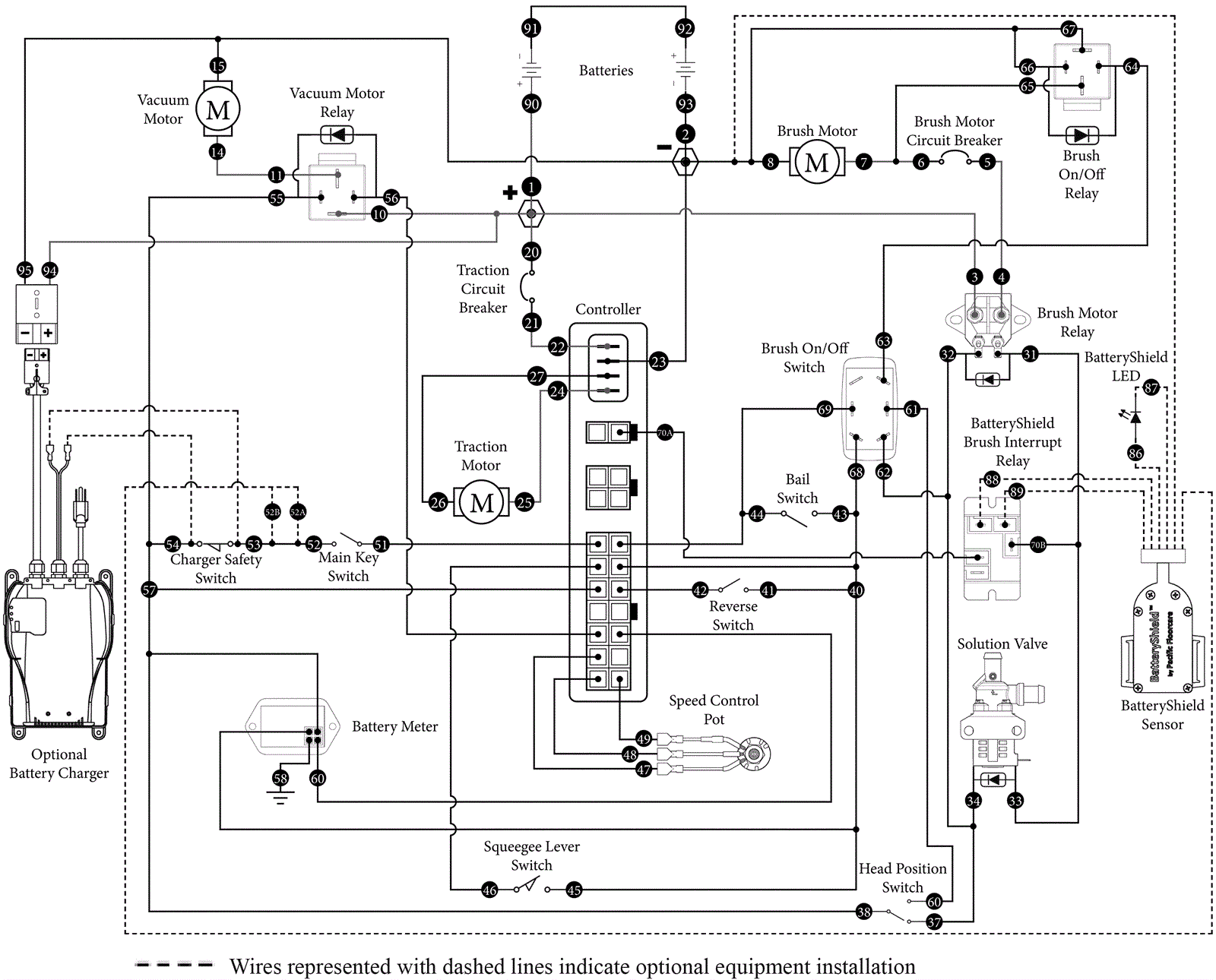
Wiring Diagram - Traction Disk Drive Before SN 113191
Click to enlarge