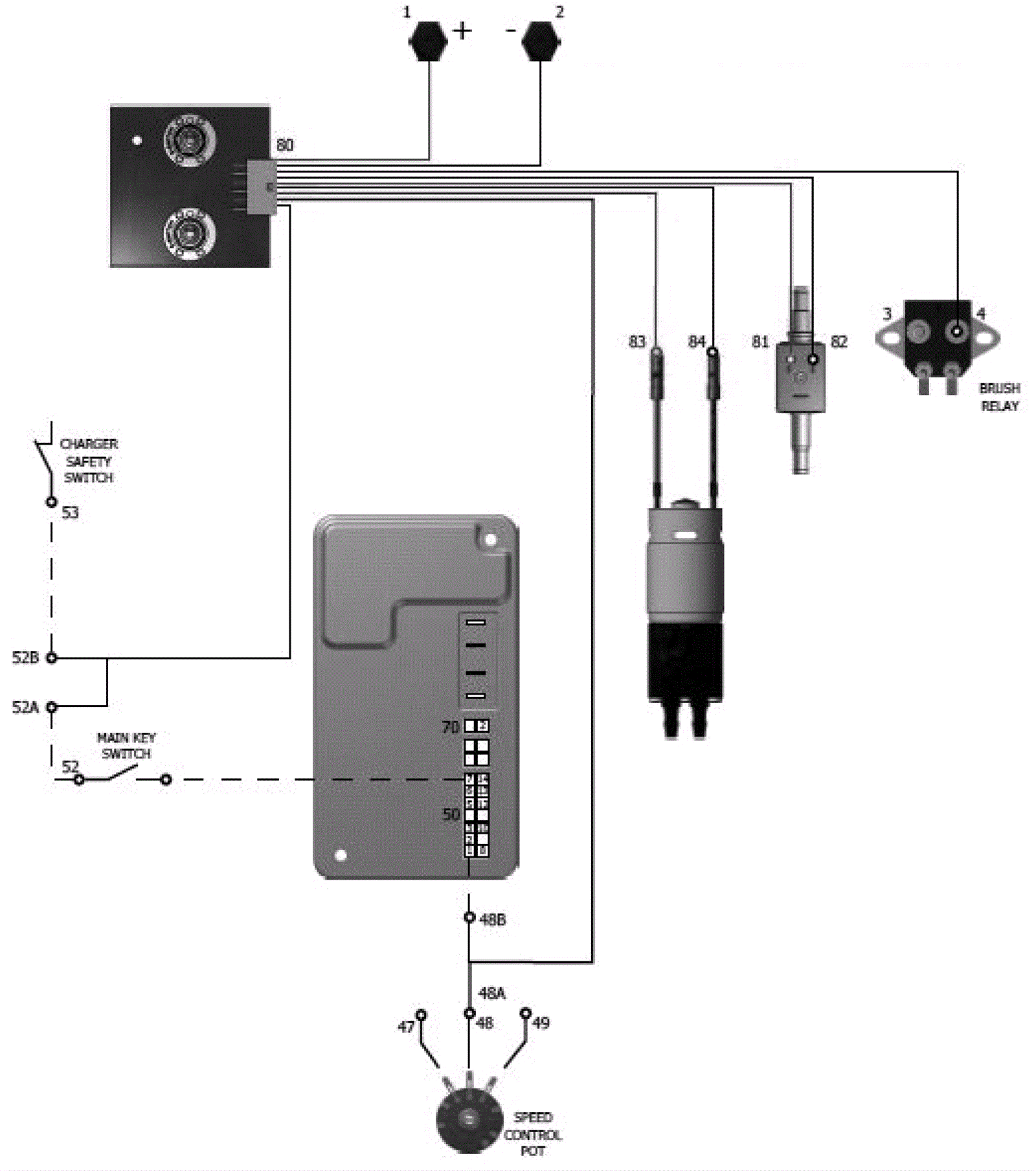
Chemical Injection Wiring Diagram - Optional
Click to enlarge