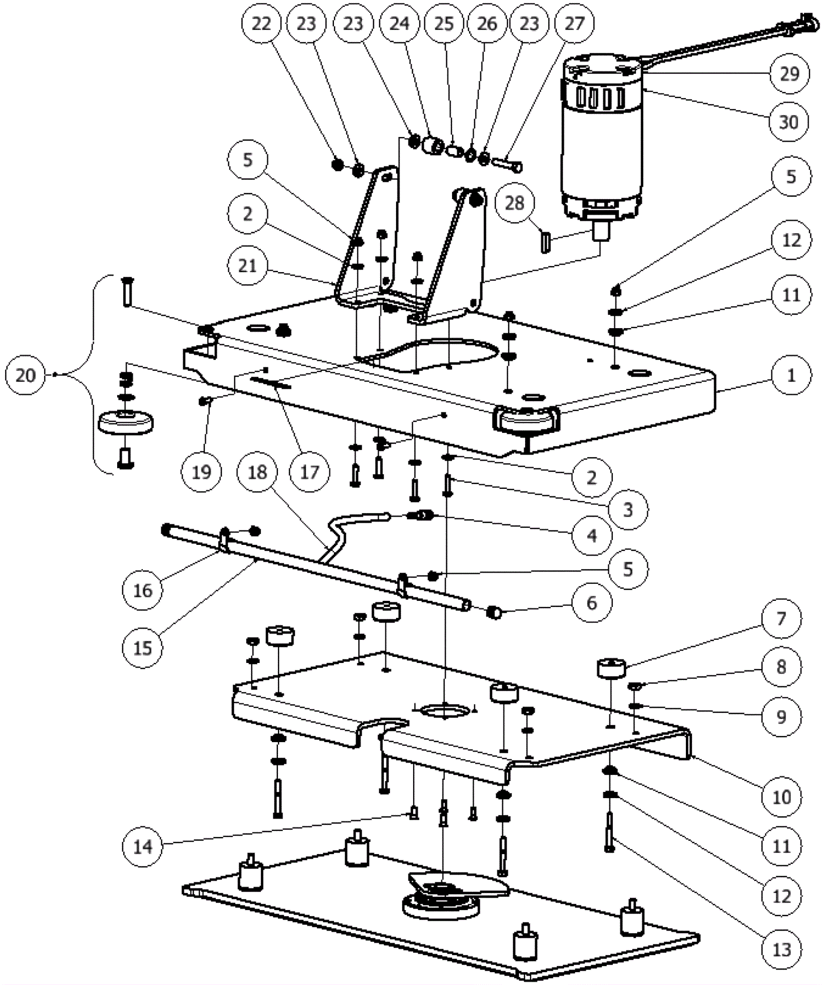
| # | Part | Description | Price | Req | Notes | Availability |
1 |
206-3370
|
Orbital head mounting bracket |
$206.59
|
1 |
|
usually ships 13-21 days |
2 |
206-4820
|
Washer |
$3.14
|
8 |
|
usually ships 13-21 days |
3 |
999-0297
|
Bolt 1/4-20 x 1 hex head stainless steel |
$2.53
|
4 |
|
ships same day |
4 |
206-3231
|
Reducer fitting |
$5.16
|
1 |
|
usually ships 13-21 days |
5 |
999-0294
|
Nut 1/4-20 hex nylon lock type NE stainless steel |
$1.18
|
10 |
|
ships same day |
6 |
206-4042
|
Plug |
$6.24
|
2 |
|
usually ships 13-21 days |
7 |
206-3313
|
Rubber spacer |
$8.31
|
4 |
|
ships same day |
8 |
999-0423
|
Nut 5/16-18 nylon insert lock stainless steel |
$0.99
|
4 |
|
ships same day |
9 |
999-0553
|
Washer 5/16 medium split lock stainless steel |
$0.99
|
4 |
|
ships same day |
10 |
206-3371
|
Motor mounting plate |
$198.32
|
1 |
|
usually ships 13-21 days |
11 |
206-3373
|
Rubber bushing |
$12.14
|
8 |
|
ships same day |
12 |
206-3376
|
Rubber washer (OBSOLETE) |
$3.15
|
8 |
|
usually ships 13-21 days |
13 |
999-0258
|
Bolt 1/4-20 x 2 hex head grade 5 zinc plated |
$0.99
|
4 |
|
ships same day |
14 |
999-1620
|
Screw M6-1 x 20mm flat head socket stainless steel |
$6.29
|
4 |
|
ships same day |
15 |
206-4066
|
Distribution tube |
$155.46
|
1 |
|
usually ships 13-21 days |
16 |
206-3372
|
P clamp |
$3.69
|
2 |
|
usually ships 13-21 days |
17 |
206-4040
|
Decal |
$31.84
|
1 |
|
usually ships 13-21 days |
18 |
206-0099
|
1/4 inch hose (clear) (sold by the inch) |
$4.08
|
1 |
|
usually ships 13-21 days |
19 |
999-0395
|
Screw 1/4-20 x 5/8 button head socket plain finish |
$0.99
|
2 |
|
ships same day |
20 |
206-1602
|
Wheel replacement kit |
$28.07
|
2 |
|
usually ships 13-21 days |
21 |
206-3377
|
Head support bracket |
$61.47
|
1 |
|
usually ships 1-5 days |
22 |
999-0593
|
Nut 5/16-18 hex stainless steel |
$0.99
|
2 |
|
ships same day |
23 |
206-5233
|
Washer 5/16 x .040 flat |
$2.59
|
6 |
|
ships same day |
24 |
206-3319
|
Plastic roller |
$11.17
|
2 |
|
usually ships 13-21 days |
25 |
206-3315
|
Spacer |
$16.35
|
2 |
|
usually ships 13-21 days |
26 |
206-3310
|
Washer 1/2 wave |
$2.59
|
2 |
|
ships same day |
27 |
999-0551
|
Bolt 5/16-18 x 1 3/4 hex head stainless steel |
$1.63
|
2 |
|
ships same day |
28 |
206-3329
|
Square keyway |
$3.51
|
1 |
|
usually ships 13-21 days |
29 |
206-4065
|
Motor Assembly |
$760.20
|
1 |
|
usually ships 13-21 days |
30 |
206-4039
|
Carbon brush kit |
$153.95
|
1 |
|
usually ships 13-21 days |