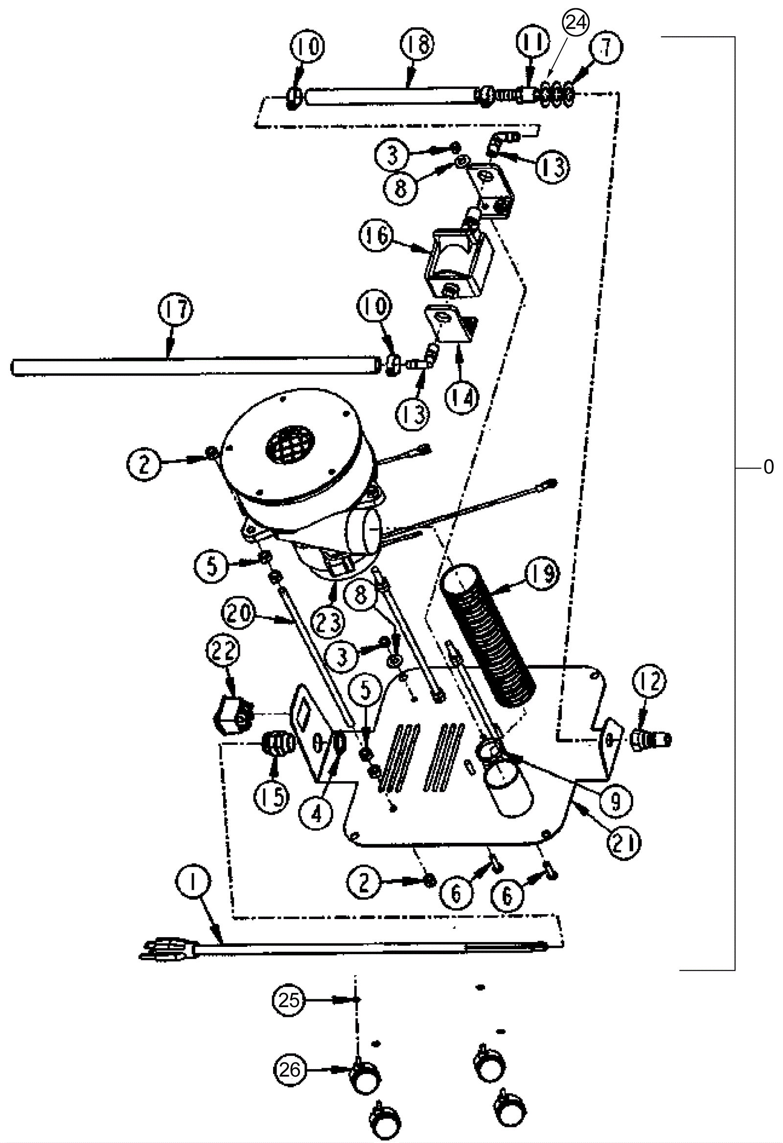
| # | Part | Description | Price | Req | Notes | Availability |
1 |
206-3151
|
18/3 power cord 25 foot (OBSOLETE) |
$38.94
|
1 |
|
usually ships 1-5 days |
2 |
999-1350
|
Screw 10-32 x 1/2 inch phillips pan head stainless steel |
$0.99
|
6 |
|
ships same day |
3 |
999-1353
|
Nut 10-32 hex nylon lock insert stainless steel |
$0.99
|
5 |
|
ships same day |
4 |
206-3163
|
Washer flat (OBSOLETE) |
Call for price
|
1 |
|
usually ships 1-5 days |
5 |
999-0190
|
Nut 1/4-20 hex plain finish |
$0.99
|
12 |
|
ships same day |
6 |
999-0414
|
Screw 10-32 x 3/4 pan head slotted zinc plated |
$0.99
|
5 |
|
ships same day |
7a |
999-0559
|
Washer 1/2 x 1/4 flat stainless steel |
$0.99
|
2 |
|
ships same day |
8 |
999-0998
|
Washer #10 flat stainless steel |
$0.99
|
13 |
|
ships same day |
9 |
206-1007
|
Clamp |
$2.57
|
1 |
|
usually ships 1-5 days |
10 |
206-0080
|
Hose clamp |
$5.66
|
1 |
|
usually ships 13-21 days |
11 |
206-0081
|
Fitting 3/8h x 1/4mpt (OBSOLETE) |
$9.94
|
1 |
|
usually ships 13-21 days |
12 |
206-0083
|
Quick connect male |
$25.08
|
1 |
|
usually ships 13-21 days |
13 |
206-3152
|
Elbow barb (OBSOLETE) |
$16.98
|
2 |
|
usually ships 1-5 days |
14 |
206-3153
|
Pump bracket (OBSOLETE) |
$12.31
|
1 |
|
usually ships 1-5 days |
15 |
206-3154
|
Strain relief (OBSOLETE) |
$9.71
|
1 |
|
usually ships 1-5 days |
16 |
206-3155
|
115V pump (OBSOLETE) |
$139.30
|
1 |
|
usually ships 13-21 days |
17 |
206-3156
|
Hose 3/8 x 13 inch |
$7.09
|
1 |
|
usually ships 1-5 days |
18 |
206-3157
|
Hose 3/8 x 7 1/2 inch |
$5.35
|
1 |
|
usually ships 1-5 days |
19 |
206-3158
|
1 1/2 inch tube with wire (OBSOLETE) |
Call for price
|
1 |
|
usually ships 1-5 days |
20 |
206-3159
|
Threaded rod (OBSOLETE) |
$12.01
|
3 |
|
usually ships 1-5 days |
21 |
206-3160
|
Base plate (OBSOLETE) |
Call for price
|
1 |
|
usually ships 1-5 days |
22 |
206-3166
|
Rocker switch (OBSOLETE) |
$29.59
|
1 |
|
usually ships 1-5 days |
23 |
206-1215
|
2 stage vacuum motor tangential (OBSOLETE) |
$312.69
|
1 |
|
usually ships 13-21 days |