| # | Part | Description | Price | Req | Notes | Availability |
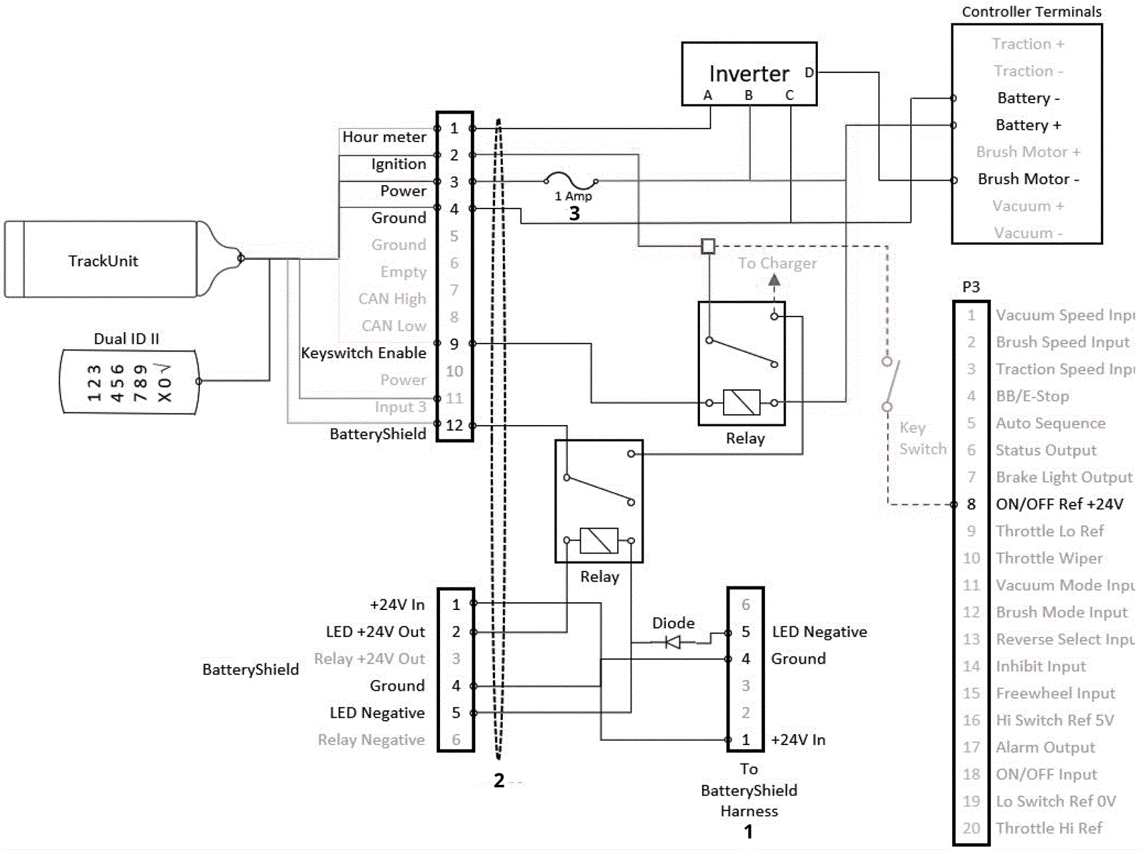
1 |
206-4889
|
Batteryshield extension harness |
$55.92
|
1 |
|
usually ships 13-21 days |
2 |
206-4892
|
Clean-n-pay rider harness |
Call for price
|
1 |
|
usually ships 13-21 days |
3 |
206-4893
|
1 amp fuse |
Call for price
|
1 |
|
usually ships 13-21 days |