| # | Part | Description | Price | Req | Notes | Availability |
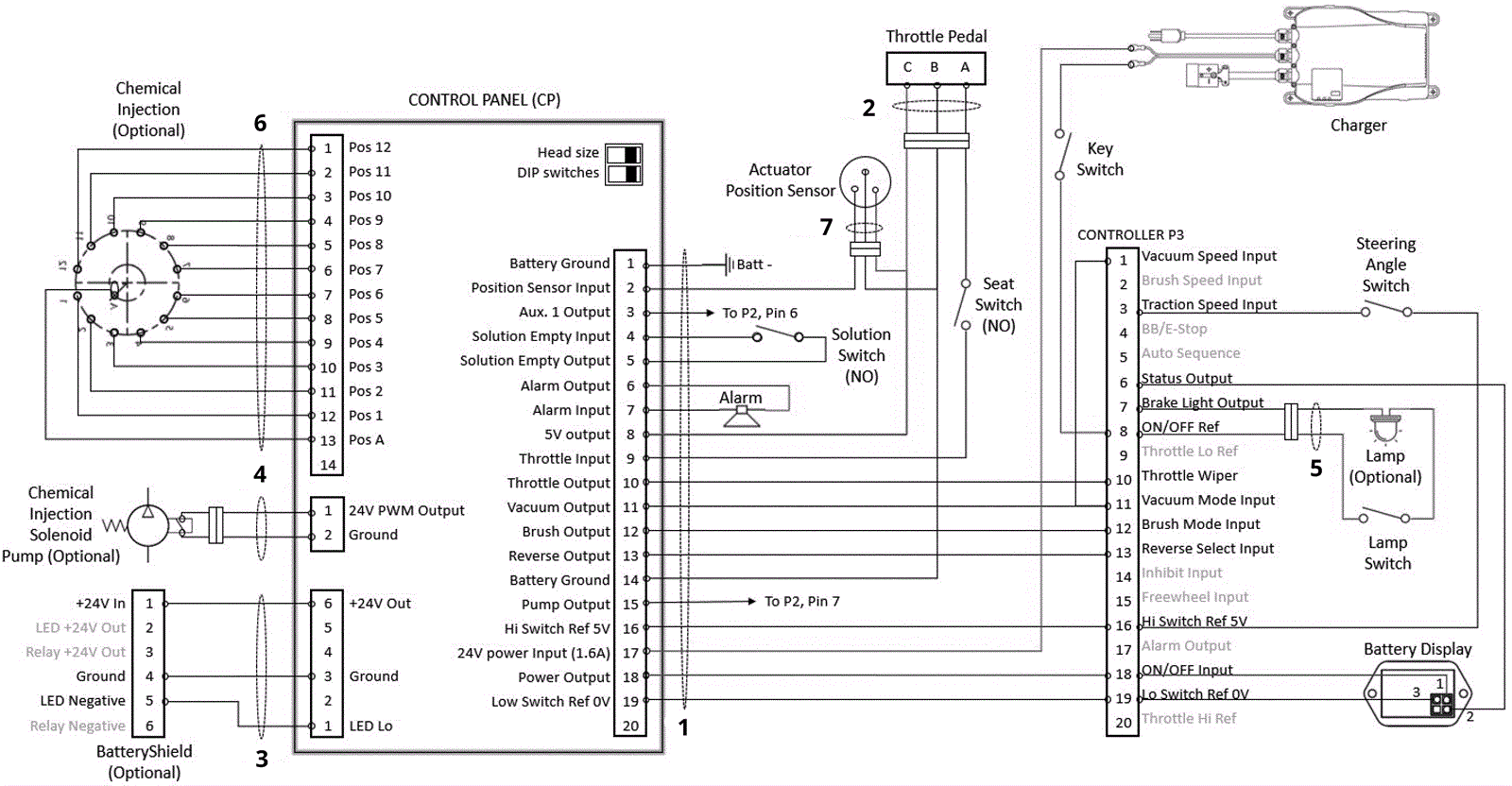
1 |
206-4887
|
Signal harness |
Call for price
|
1 |
|
usually ships 17-25 days |
2 |
206-4888
|
Throttle extension harness |
Call for price
|
1 |
|
usually ships 17-25 days |
3 |
206-4889
|
Batteryshield extension harness |
Call for price
|
1 |
|
usually ships 17-25 days |
4 |
206-4890
|
Chemical dispensing pump harness |
Call for price
|
1 |
|
usually ships 17-25 days |
5 |
206-4891
|
Amber lamp harness |
Call for price
|
1 |
|
usually ships 17-25 days |
6 |
206-1551
|
12 position rotary switch with harness |
Call for price
|
1 |
|
usually ships 17-25 days |
7 |
206-1584
|
Rotary sensor |
Call for price
|
1 |
|
usually ships 17-25 days |