| # | Part | Description | Price | Req | Notes | Availability |
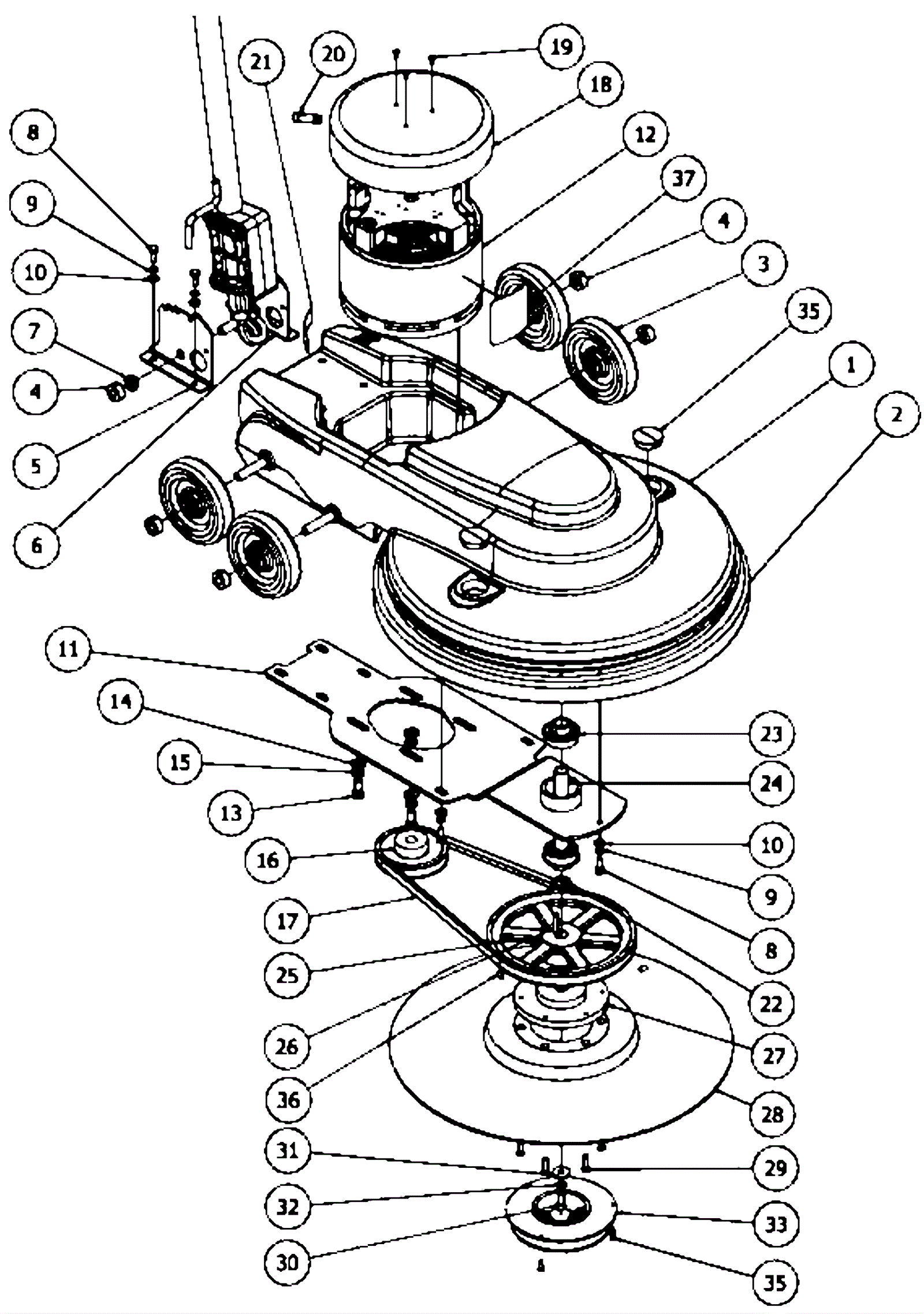
1 |
206-1372
|
20 inch base |
$124.17
|
1 |
|
usually ships 1-5 days |
2 |
206-5051
|
20 inch bumper |
$122.79
|
1 |
|
usually ships 13-21 days |
3 |
217-0525
|
Wheels |
$45.31
|
4 |
|
usually ships 13-21 days |
4 |
206-1287
|
1/2 inch clamp collar |
$6.16
|
6 |
|
ships same day |
5 |
206-1373
|
Right hand handle bracket |
$66.29
|
1 |
|
usually ships 13-21 days |
6 |
206-1374
|
Left hand handle bracket (OBSOLETE) |
Call for price
|
1 |
|
usually ships 1-5 days |
7 |
206-3301
|
Flange bushing |
$11.84
|
2 |
|
usually ships 13-21 days |
8 |
999-1099
|
Bolt 1/4-20 x 3/4 hex head stainless steel |
$0.99
|
7 |
|
ships same day |
9 |
999-0060
|
Washer 1/4 split lock plain finish |
$0.99
|
7 |
|
ships same day |
10 |
206-4820
|
Washer |
$3.14
|
7 |
|
usually ships 13-21 days |
11 |
206-1375
|
Motor bracket (OBSOLETE) |
$155.46
|
1 |
|
usually ships 1-5 days |
12 |
206-1376
|
115V 1.5HP burnisher motor |
$1,233.65
|
1 |
|
usually ships 1-5 days |
13 |
999-0812
|
Screw 3/8-16 x 7/8 hex head grade 5 plain finish |
$0.99
|
4 |
|
ships same day |
14 |
999-0032
|
Washer 3/8 USS flat plain finish |
$2.42
|
4 |
|
ships same day |
15 |
206-0410
|
Washer 3/8 lock |
$2.57
|
4 |
|
usually ships 13-21 days |
16 |
206-0404
|
Pulley motor |
$43.00
|
1 |
|
usually ships 13-21 days |
17 |
206-1377
|
Belt |
$66.63
|
1 |
|
usually ships 1-5 days |
18 |
206-3501
|
Motor cover |
$30.46
|
1 |
|
usually ships 13-21 days |
19 |
999-0321
|
Screw 10-32 x 3/8 pan head slotted zinc plated |
$0.99
|
3 |
|
ships same day |
20 |
206-0432
|
Light indicator brush wear |
$14.75
|
1 |
|
usually ships 13-21 days |
21 |
206-0401
|
Brush indicator label |
$7.58
|
1 |
|
usually ships 1-5 days |
22 |
206-3428
|
Keyed washer |
$12.91
|
1 |
|
usually ships 13-21 days |
23 |
206-1378
|
Bearing |
$49.77
|
2 |
|
usually ships 13-21 days |
24 |
206-0395
|
Drive shaft |
$61.47
|
1 |
|
usually ships 13-21 days |
25 |
206-0406
|
Pulley pad driver |
$93.02
|
1 |
|
usually ships 1-5 days |
26 |
206-0418
|
Key |
$2.71
|
1 |
|
usually ships 13-21 days |
27 |
206-0409
|
Flange flex driver |
$118.80
|
1 |
|
usually ships 13-21 days |
28 |
206-0431
|
Flex pad assembly 19 diameter |
$341.44
|
1 |
|
usually ships 13-21 days |
29 |
999-0348
|
Screw 1/4-20 x 1 flat head phillips zinc plated |
$0.99
|
6 |
|
ships same day |
30 |
206-0411
|
Bolt 5/16-18x3/4 allen |
$2.57
|
1 |
|
usually ships 1-5 days |
31 |
999-1364
|
Washer 5/16 x 1 fender zinc finish |
$0.99
|
1 |
|
ships same day |
32 |
999-0553
|
Washer 5/16 medium split lock stainless steel |
$0.99
|
1 |
|
ships same day |
33 |
996-0372
|
Big mouth pad holder (left hand thread) |
$42.60
|
1 |
|
ships same day |
35 |
206-0413
|
Screw 8 x 5/8 wood |
$2.57
|
3 |
|
usually ships 13-21 days |
35 |
206-1379
|
1 1/4 inch hole plug |
$11.83
|
2 |
|
usually ships 13-21 days |
36 |
206-0230
|
Screw 1/4-20x1/2 allen set |
$2.57
|
2 |
|
usually ships 1-5 days |
37 |
206-1293
|
Decal |
$5.23
|
1 |
|
usually ships 1-5 days |