| # | Part | Description | Price | Req | Notes | Availability |
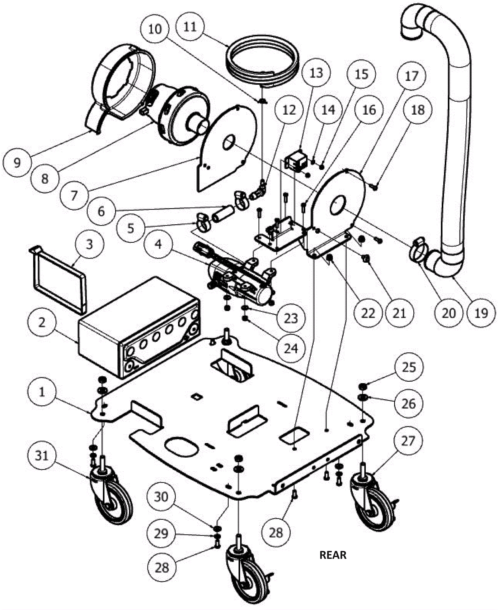
1 |
206-6234
|
Frame |
$116.14
|
1 |
|
usually ships 1-5 days |
2a |
206-0063
|
12V 61ah TPPL battery |
$1,144.07
|
1 |
(dependent on model) |
usually ships 13-21 days |
2b |
206-6235
|
12V 26Ah battery |
$951.08
|
1 |
(dependent on model) |
usually ships 1-5 days |
3 |
206-6236
|
Wire tie |
Call for price
|
1 |
(only used with 2b) |
usually ships 1-5 days |
4 |
206-1515
|
24V solution pump |
$241.11
|
1 |
|
usually ships 13-21 days |
5 |
206-0080
|
Hose clamp |
$5.66
|
2 |
|
usually ships 13-21 days |
6 |
206-0157
|
Clear hose (sold by the inch) |
$3.63
|
2 inch |
|
ships same day |
7 |
206-6237
|
Gasket |
$16.10
|
1 |
|
usually ships 1-5 days |
8 |
206-6238
|
12V vacuum motor |
$251.23
|
1 |
|
usually ships 1-5 days |
9 |
206-6239
|
Vacuum motor brace |
$17.33
|
1 |
|
usually ships 1-5 days |
10 |
206-3236
|
Hose clamp |
$2.23
|
2 |
|
usually ships 1-5 days |
11 |
206-0099
|
1/4 inch hose (clear) (sold by the inch) |
$4.08
|
44 inch |
|
usually ships 13-21 days |
12 |
206-6240
|
Elbow fitting |
Call for price
|
1 |
|
usually ships 1-5 days |
13 |
206-6241
|
12V relay |
$20.20
|
1 |
|
usually ships 1-5 days |
14 |
206-3753
|
Washer 1/4 medium split (OBSOLETE) |
Call for price
|
2 |
|
usually ships 1-5 days |
15 |
999-0337
|
Nut 6-32 nylon insert lock stainless steel |
$0.99
|
2 |
|
ships same day |
16 |
999-0414
|
Screw 10-32 x 3/4 pan head slotted zinc plated |
$0.99
|
4 |
|
ships same day |
17 |
206-6242
|
Vacuum mounting bracket |
$42.10
|
1 |
|
usually ships 1-5 days |
18 |
999-0572
|
Screw 10-24 x 1/2 pan head self-tapping zinc |
$0.99
|
3 |
|
ships same day |
19 |
206-6243
|
Vacuum hose |
Call for price
|
1 |
|
usually ships 1-5 days |
20 |
206-6013
|
Hose clamp (OBSOLETE) |
Call for price
|
1 |
|
usually ships 1-5 days |
21 |
206-1497
|
Wire mount |
$6.89
|
2 |
|
usually ships 13-21 days |
22 |
999-0152
|
Nut 1/4-20 nylon insert lock zinc plated |
$0.99
|
2 |
|
ships same day |
23 |
999-0998
|
Washer #10 flat stainless steel |
$0.99
|
4 |
|
ships same day |
24 |
999-1353
|
Nut 10-32 hex nylon lock insert stainless steel |
$0.99
|
4 |
|
ships same day |
25 |
999-1482
|
Nut 3/8-16 nylon lock stainless steel |
$1.06
|
4 |
|
ships same day |
26 |
999-0032
|
Washer 3/8 USS flat plain finish |
$2.42
|
4 |
|
ships same day |
27 |
206-6244
|
4 inch caster wheel with brake |
$41.75
|
2 |
|
usually ships 1-5 days |
28 |
999-0395
|
Screw 1/4-20 x 5/8 button head socket plain finish |
$0.99
|
6 |
|
ships same day |
29 |
999-0060
|
Washer 1/4 split lock plain finish |
$0.99
|
4 |
|
ships same day |
30 |
206-4820
|
Washer |
$3.14
|
4 |
|
usually ships 13-21 days |
31 |
206-6245
|
4 inch caster wheel non-braking |
$38.05
|
2 |
|
usually ships 1-5 days |
N/S |
206-6246
|
Power harness |
$94.14
|
1 |
|
usually ships 1-5 days |