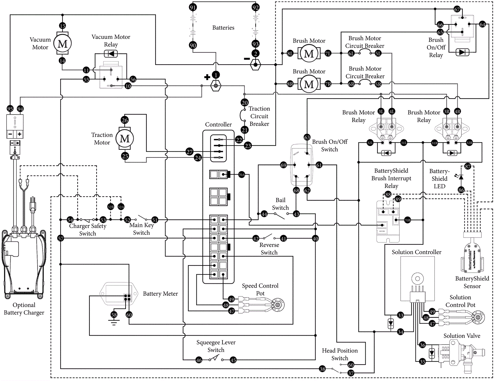
Wiring Diagram - After SN 113190
Click to enlarge