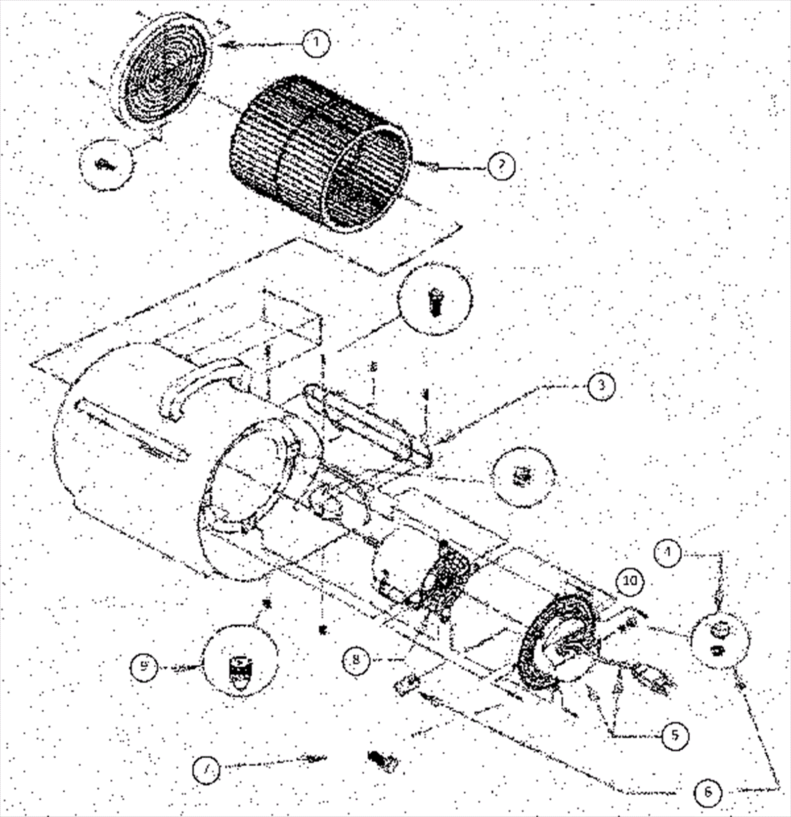
# | Part | Description | Price | Req | Notes | Availability |
1 |
N/A
|
Not available |
Call for price
|
1 |
(dryer housing) |
usually ships 3-26 days |
2 |
206-0171
|
Squirrel cage |
$195.21
|
1 |
|
usually ships 13-21 days |
3 |
206-0172
|
Air intake panel |
$154.88
|
1 |
|
usually ships 13-21 days |
4 |
206-0062
|
Screw 6x1/2 phillips pan head standard machine (OBSOLETE) |
Call for price
|
3 |
|
usually ships 1-5 days |
5 |
N/A
|
Not available |
Call for price
|
1 |
(handle) (optional) |
usually ships 3-26 days |
6 |
999-0297
|
Bolt 1/4-20 x 1 hex head stainless steel |
$2.53
|
4 |
|
ships same day |
7 |
N/A
|
Not available |
Call for price
|
1 |
(motor) |
usually ships 3-26 days |
8 |
206-0173
|
Control panel |
$389.83
|
1 |
|
usually ships 13-21 days |
9 |
206-0174
|
Screw M4 x 6 flat head phillips zinc (OBSOLETE) |
$1.40
|
2 |
|
usually ships 13-21 days |
10 |
206-3795
|
Switch knob (OBSOLETE) |
$5.29
|
1 |
|
usually ships 13-21 days |
11 |
206-0062
|
Screw 6x1/2 phillips pan head standard machine (OBSOLETE) |
Call for price
|
6 |
|
usually ships 1-5 days |
12 |
206-0175
|
Nut 1/2 inch |
$2.12
|
1 |
|
usually ships 13-21 days |
13 |
N/A
|
Not available |
Call for price
|
1 |
(strain relief) |
usually ships 3-26 days |
14 |
206-0176
|
16/3 power cord |
$71.51
|
1 |
|
usually ships 13-21 days |
16 |
206-0177
|
Screw 3/8-16 x 1/2 inch hex head |
$2.12
|
3 |
|
usually ships 13-21 days |
17 |
N/A
|
Not available |
Call for price
|
1 |
(discharge grill) |
usually ships 3-26 days |
18 |
999-0077
|
Nut 8-32 k-lock zinc plated |
$0.99
|
2 |
|
ships same day |
19 |
999-1574
|
Screw 8-32 x 1 pan head phillips stainless steel |
$0.99
|
2 |
|
usually ships 1-5 days |
20 |
206-0178
|
Left side kickstand foot (OBSOLETE) |
$1.48
|
1 |
|
usually ships 13-21 days |
21 |
206-0062
|
Screw 6x1/2 phillips pan head standard machine (OBSOLETE) |
Call for price
|
4 |
|
usually ships 1-5 days |
22 |
206-0179
|
Kickstand |
$44.15
|
1 |
|
usually ships 13-21 days |
23 |
206-0180
|
Right side kickstand foot (OBSOLETE) |
$1.48
|
1 |
|
usually ships 13-21 days |
24 |
206-0181
|
Rubber foot (OBSOLETE) |
$5.45
|
2 |
|
usually ships 13-21 days |
25 |
206-0182
|
Rivet (black) |
$2.52
|
4 |
|
usually ships 13-21 days |
26 |
999-0015
|
Nut 1/4-20 k-lock zinc plated |
$0.99
|
4 |
|
ships same day |