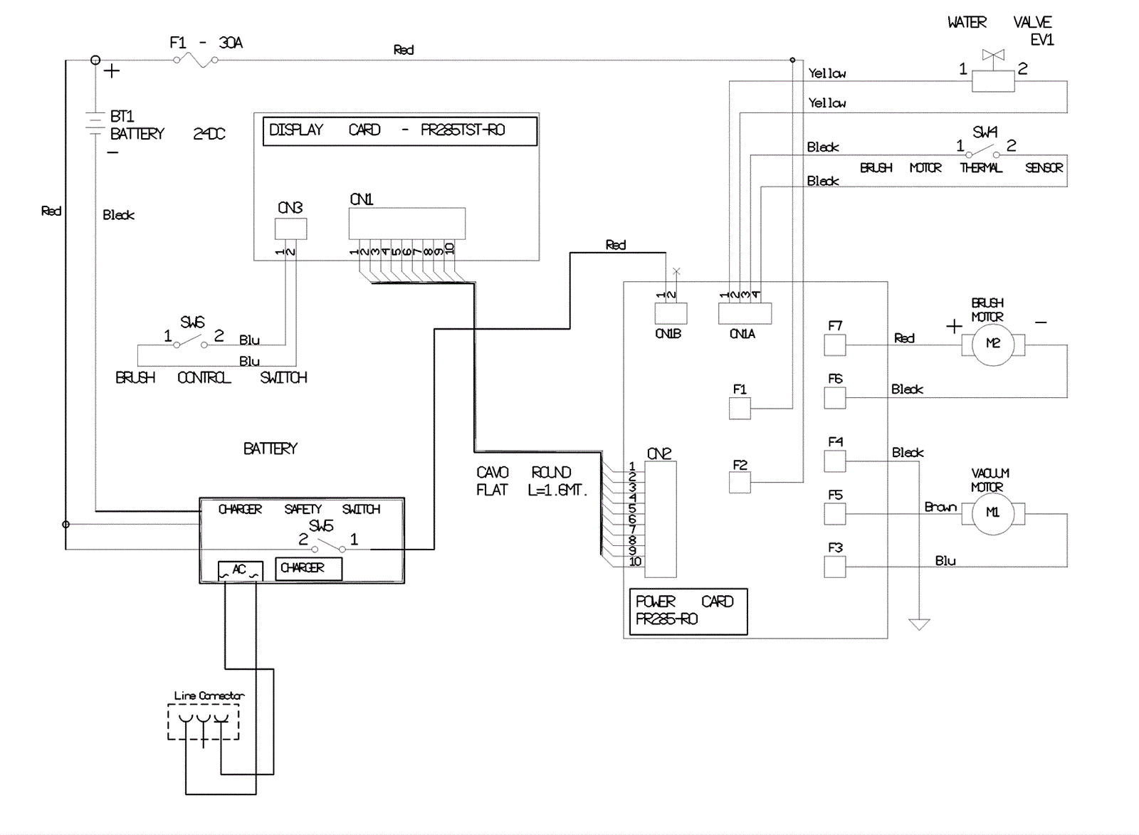
CT15
Electric Assembly
Click to enlarge
#
Part
Description
Price
Req
Notes
Availability
EV1
203-4493
Solenoid valve
$134.74
1
usually ships 11-14 days
M1
203-5035
Vacuum motor
$194.21
1
ships same day