CT 100
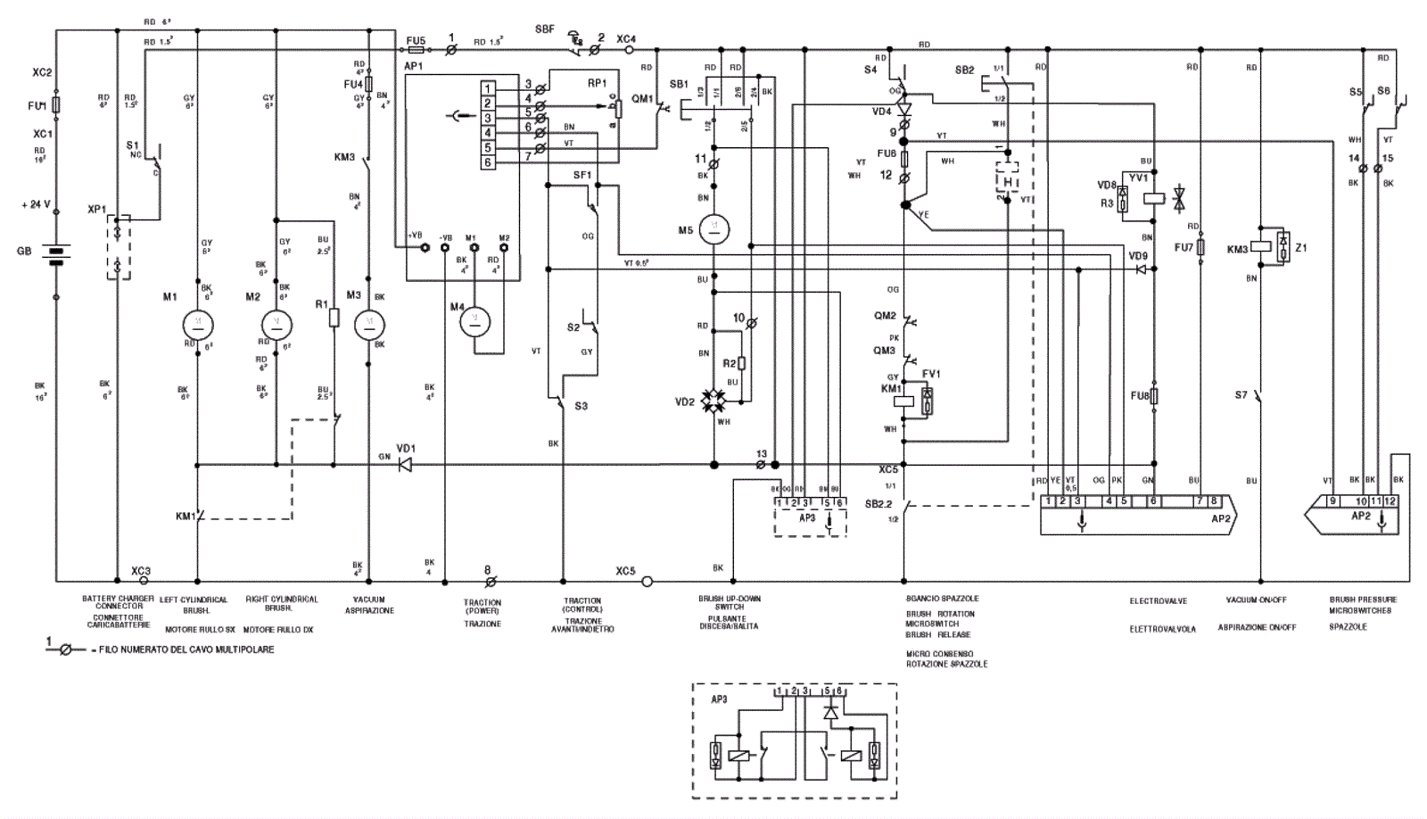
Electrical Diagram 2
Click to enlarge
#
Part
Description
Price
Req
Notes
Availability
AP1
203-2870
Traction card
$1,074.47
1
usually ships 1-5 days
AP2
203-3343
LED board
$184.28
1
usually ships 1-5 days
AP3
203-5612
Brush control board
$66.20
1
usually ships 11-14 days