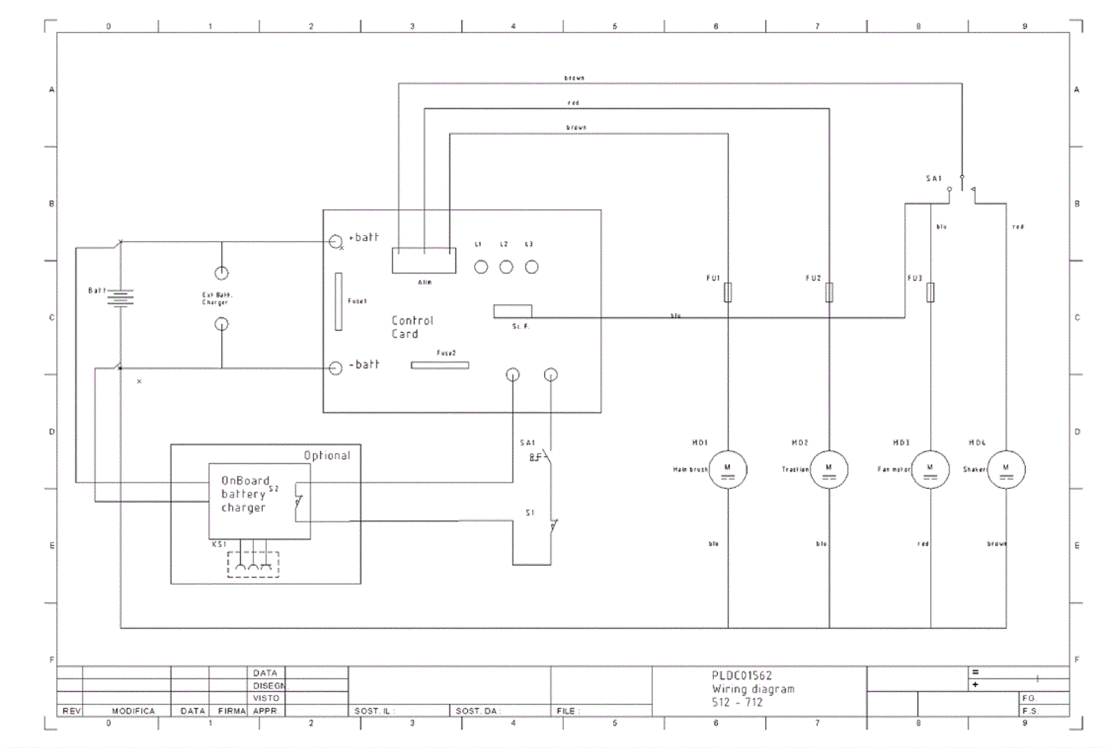
512 28 INCH
Electrical Diagram 1
Click to enlarge
#
Part
Description
Price
Req
Notes
Availability
1
203-3133
30amp fuse
$2.34
3
usually ships 1-5 days