TKS510ET SILVER
Wiring Diagram
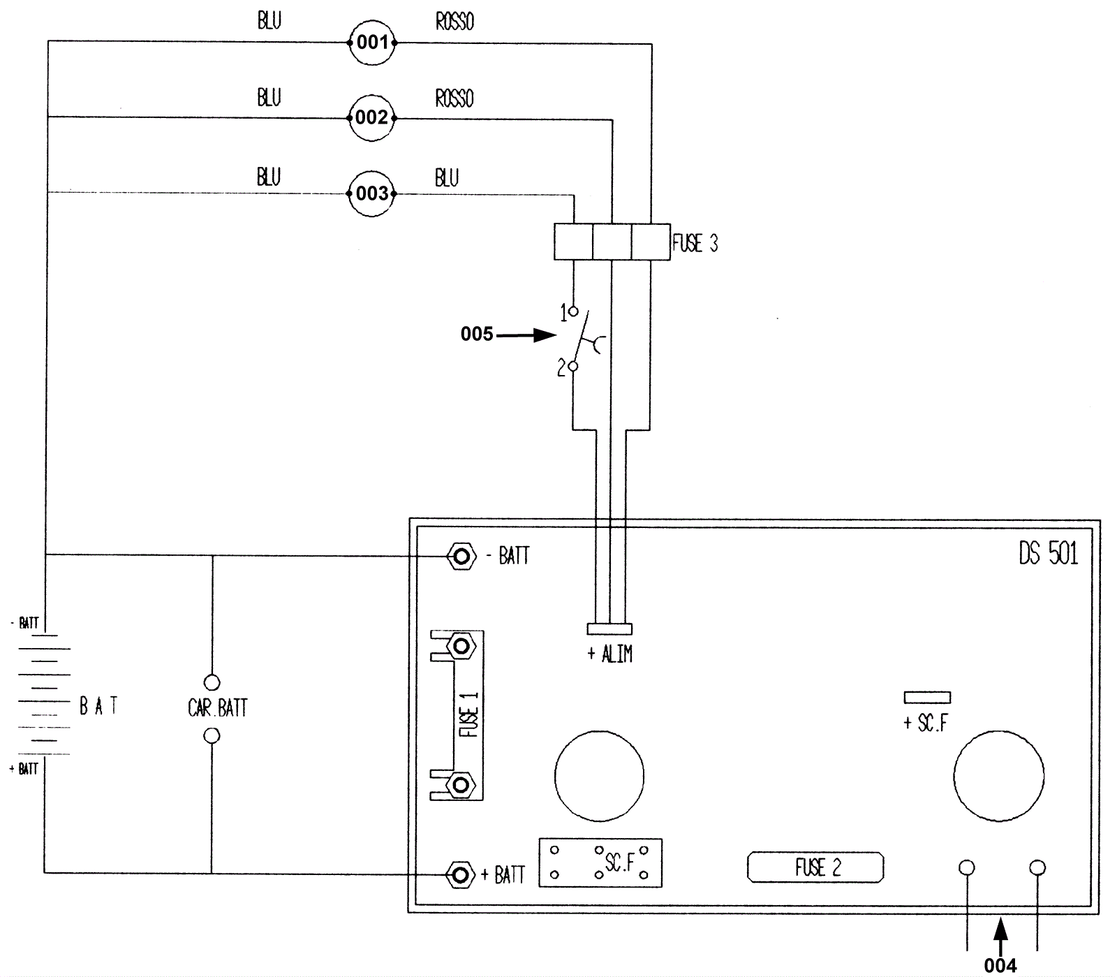
Click to enlarge
#
Part
Description
Price
Req
Notes
Availability
001
203-2844
Motor with gearbox
$236.35
1
usually ships 1-5 days
002
203-2844
Motor with gearbox
$236.35
1
usually ships 1-5 days
003
203-3118
Motor with smooth shaft
$274.01
1
usually ships 11-14 days
004
203-3125
Key switch
$93.87
1
usually ships 1-5 days
005
203-3126
Bipolar switch
$58.03
1
usually ships 11-14 days