| # | Part | Description | Price | Req | Notes | Availability |
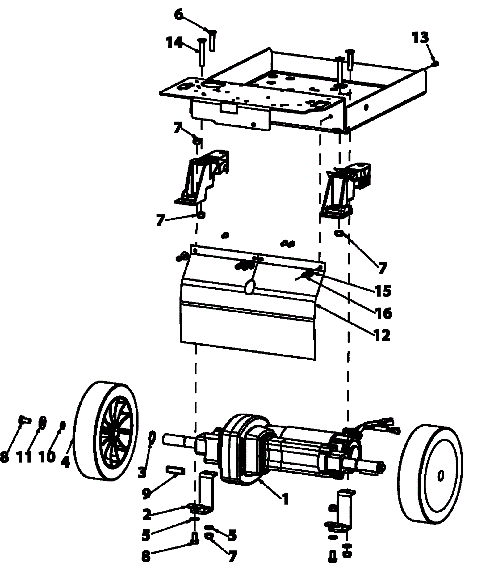
1a |
203-5837
|
24V 200W motor traction |
$870.40
|
1 |
|
usually ships 11-14 days |
1b |
203-5151
|
Carbon brush |
$37.77
|
1 |
(carbon brushes) |
usually ships 11-14 days |
2 |
203-5838
|
Support traction motor |
$6.12
|
2 |
|
usually ships 11-14 days |
3 |
189-7523
|
Outer snap ring |
$4.80
|
2 |
|
usually ships 1-5 days |
4 |
203-5145
|
Wheel |
$159.17
|
2 |
|
usually ships 11-14 days |
5 |
189-0897
|
Washer D8 |
$2.99
|
4 |
|
usually ships 11-14 days |
6 |
203-5839
|
Screw M8x40 |
$0.99
|
2 |
|
usually ships 11-14 days |
7 |
999-0471
|
Nut M8-1.25 nylon insert lock zinc plated |
$0.99
|
6 |
|
ships same day |
8 |
189-1499
|
Screw |
$0.99
|
4 |
|
usually ships 1-5 days |
9 |
203-5047
|
Keyway |
$20.60
|
2 |
|
usually ships 11-14 days |
10 |
203-4414
|
Washer |
$2.99
|
2 |
|
usually ships 11-14 days |
11 |
189-1400
|
Washer |
$2.99
|
2 |
|
usually ships 11-14 days |
12 |
203-5840
|
Flap traction motor |
$8.47
|
1 |
|
usually ships 11-14 days |
13 |
203-4317
|
Screw |
$4.20
|
4 |
|
usually ships 11-14 days |
14 |
203-5841
|
Screw M8x 55 inox |
$0.99
|
2 |
|
usually ships 11-14 days |
15 |
189-1462
|
Washer 5 x 14 inch |
$2.99
|
4 |
|
ships same day |
16 |
203-0789
|
Nut |
$3.67
|
4 |
|
usually ships 11-14 days |