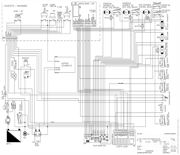
Wiring Diagram-1
Click to enlarge