| # | Part | Description | Price | Req | Notes | Availability |
1 |
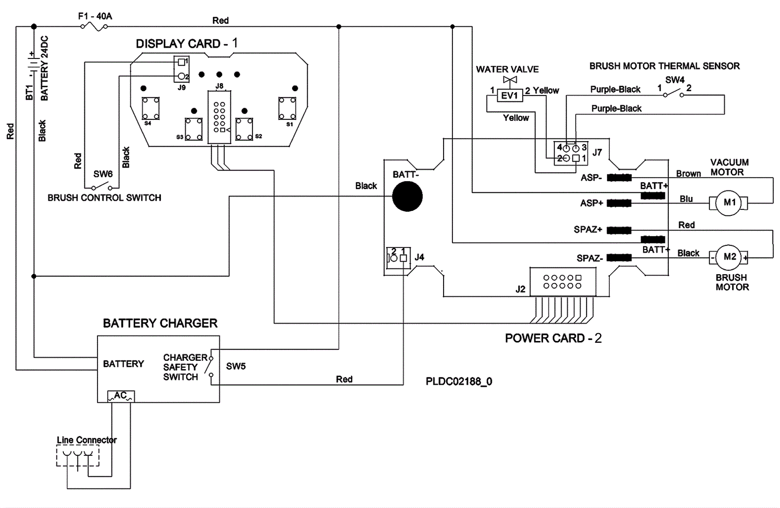
203-3393
|
Display card - DO NOT ORDER - SEE NOTE (OBSOLETE) |
Call for price
|
1 |
|
usually ships 11-14 days |
2 |
203-3392
|
Power card - DO NOT ORDER - SEE NOTE (OBSOLETE) |
Call for price
|
1 |
|
usually ships 11-14 days |