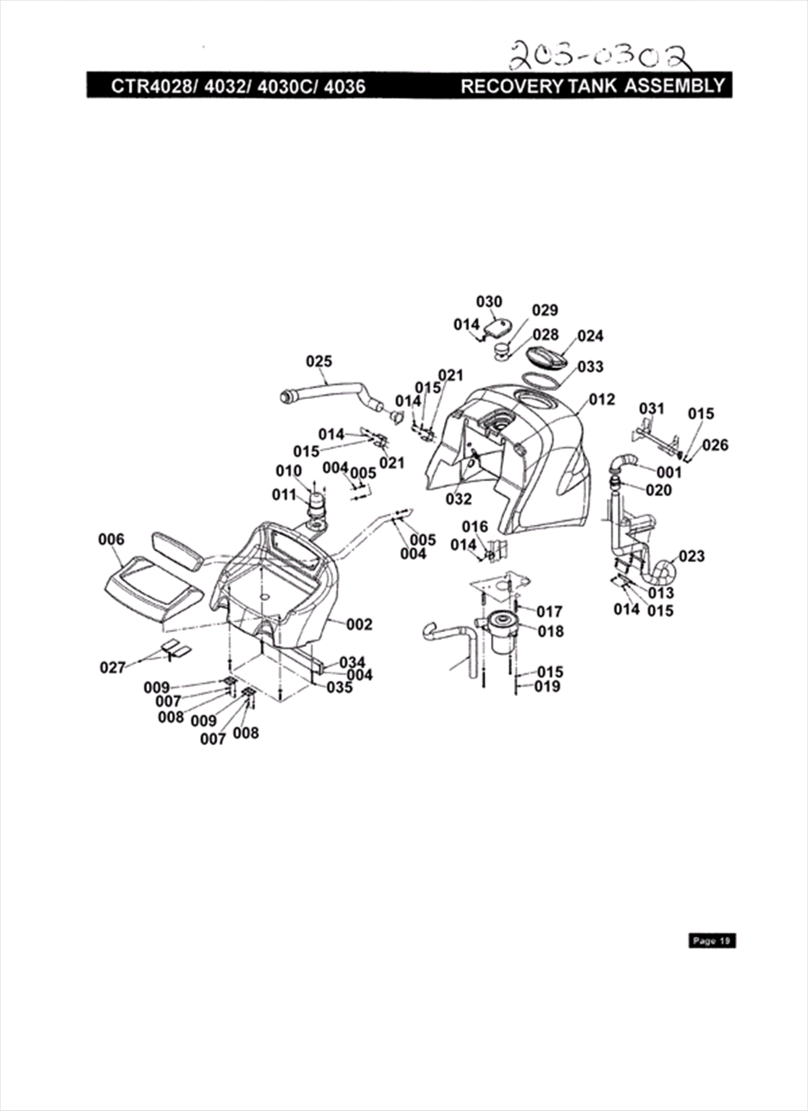
Recovery Tank Assembly