CT 70
Wiring Diagram
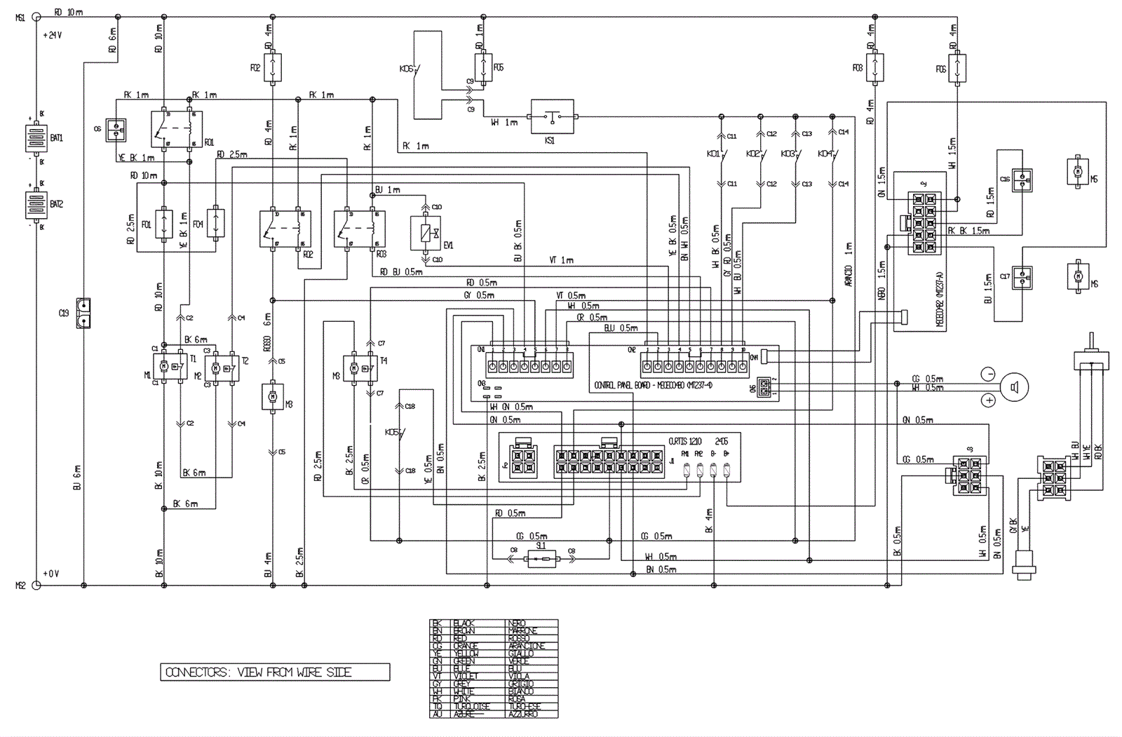
Click to enlarge
#
Part
Description
Price
Req
Notes
Availability
EV1
203-3390
Electrovalve
$201.05
1
usually ships 11-14 days
F01
203-3558
80Amp fuse strip
$1.56
1
usually ships 11-14 days
F02
203-9061
40A fuse
$5.86
1
usually ships 11-14 days
F03
203-3558
80Amp fuse strip
$1.56
1
usually ships 11-14 days
F04
203-9061
40A fuse
$5.86
1
usually ships 11-14 days
F05
203-4743
Fuse
$1.28
1
usually ships 11-14 days
F06
203-9063
Carrying bag
Call for price
1
usually ships 11-14 days
K01
203-7172
Dashboard
$172.17
1
usually ships 11-14 days
K02
203-4729
Sensor
$79.65
1
usually ships 11-14 days
K03
203-4729
Sensor
$79.65
1
usually ships 11-14 days
K04
203-5227
Switch
$43.22
1
usually ships 11-14 days
K05
203-9012
Sensor
$24.65
1
usually ships 11-14 days
K06
203-4734
4V microswitch
$73.10
1
usually ships 11-14 days
M1
203-5123
Carbon brush
$1,418.18
1
usually ships 11-14 days
M2
203-5123
Carbon brush
$1,418.18
1
usually ships 11-14 days
M3
203-5411
24V vacuum motor
$368.61
1
usually ships 11-14 days
M4
203-7210
Traction drive motor
$1,340.22
1
usually ships 11-14 days
M5
203-9079
Brush head actuator
$251.32
1
usually ships 11-14 days
M6
203-9078
Squeegee actuator
Call for price
1
usually ships 11-14 days
R01
203-4746
100amp contactor
$126.85
1
usually ships 1-5 days
R02
203-3374
Relay
$59.87
1
usually ships 11-14 days
R03
203-3374
Relay
$59.87
1
usually ships 11-14 days