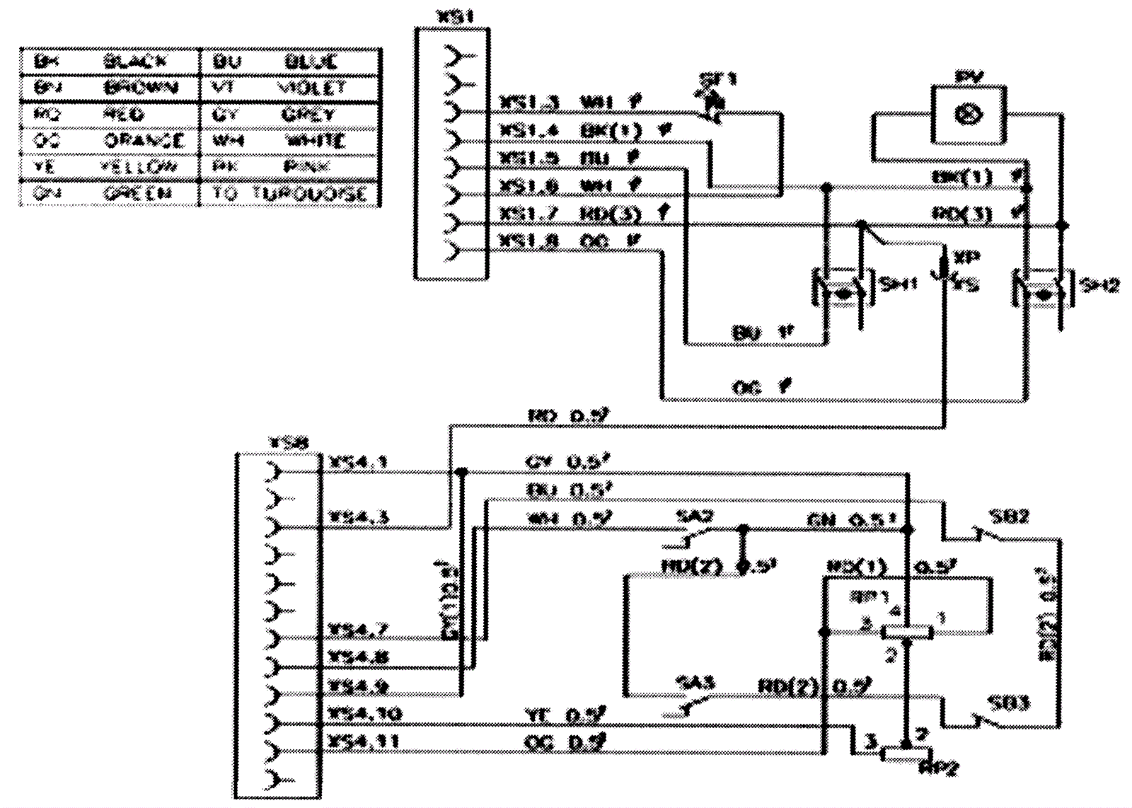
Electric Schematic Diagram
Click to enlarge