PERFORMER28
Battery
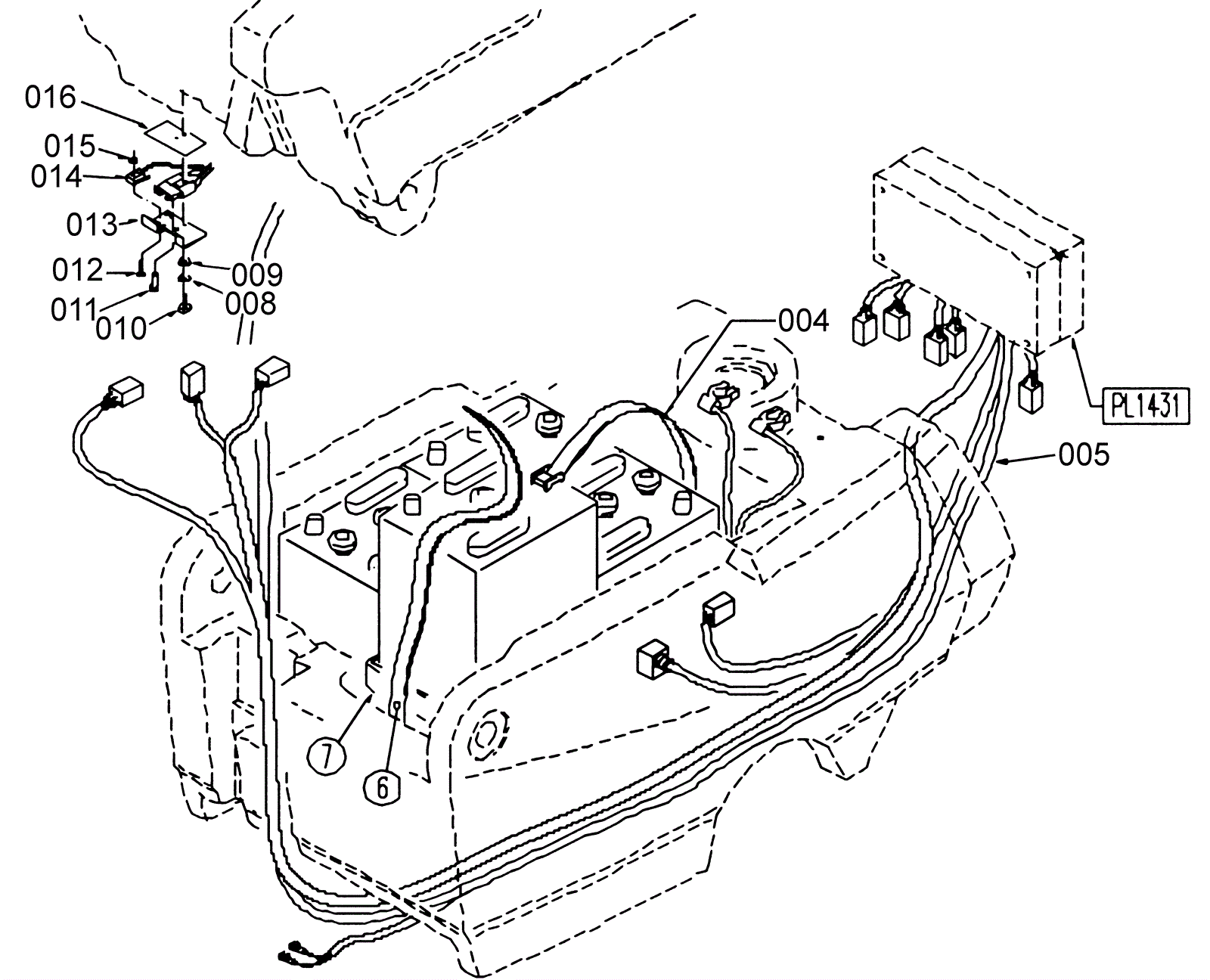
Click to enlarge
#
Part
Description
Price
Req
Notes
Availability
005
203-1777
Wiring (OBSOLETE)
$57.67
1
usually ships 1-5 days
006
203-1778
Belt
$23.03
2
usually ships 1-5 days
007
203-1779
Battery plate
$75.30
4
usually ships 11-14 days
008
189-1433
Washer
$5.06
2
usually ships 1-5 days
009
203-0235
Washer
$2.99
2
usually ships 11-14 days
011
203-4737
Screw
$4.20
1
usually ships 1-5 days
012
189-1457
Screw M2
$4.20
2
usually ships 1-5 days
013
203-1783
Support
$79.41
1
usually ships 1-5 days
014
203-4734
4V microswitch
$73.10
1
usually ships 11-14 days
015
189-1458
Nut M2
$3.61
2
usually ships 1-5 days
016
203-1786
Guard (OBSOLETE)
$10.54
1
usually ships 1-5 days