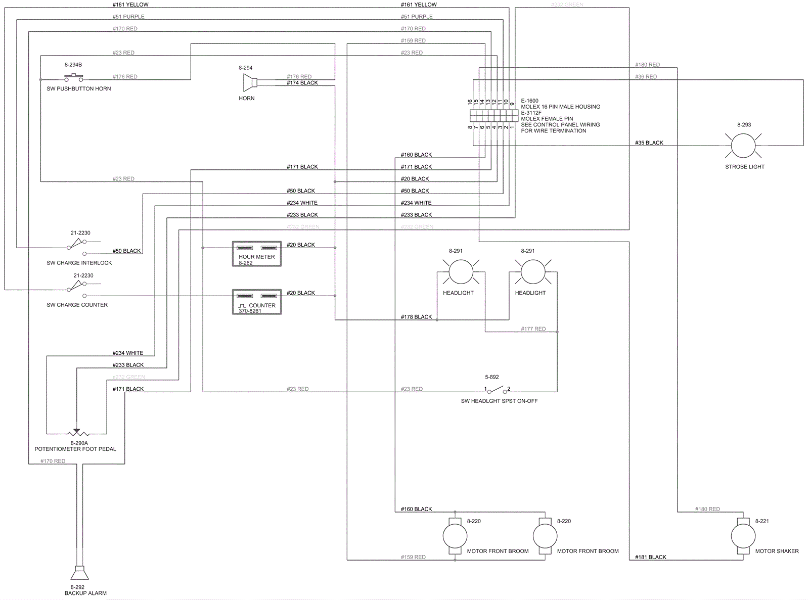
Wiring - Machine
Click to enlarge