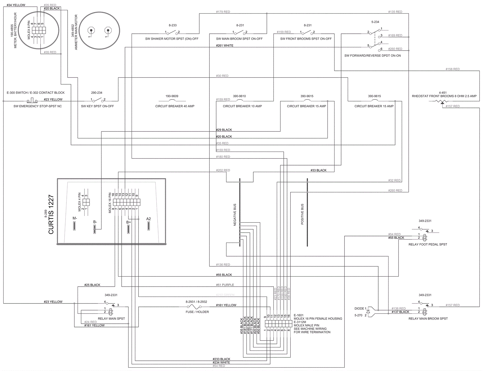
Wiring - Control Panel
Click to enlarge