| # | Part | Description | Price | Req | Notes | Availability |
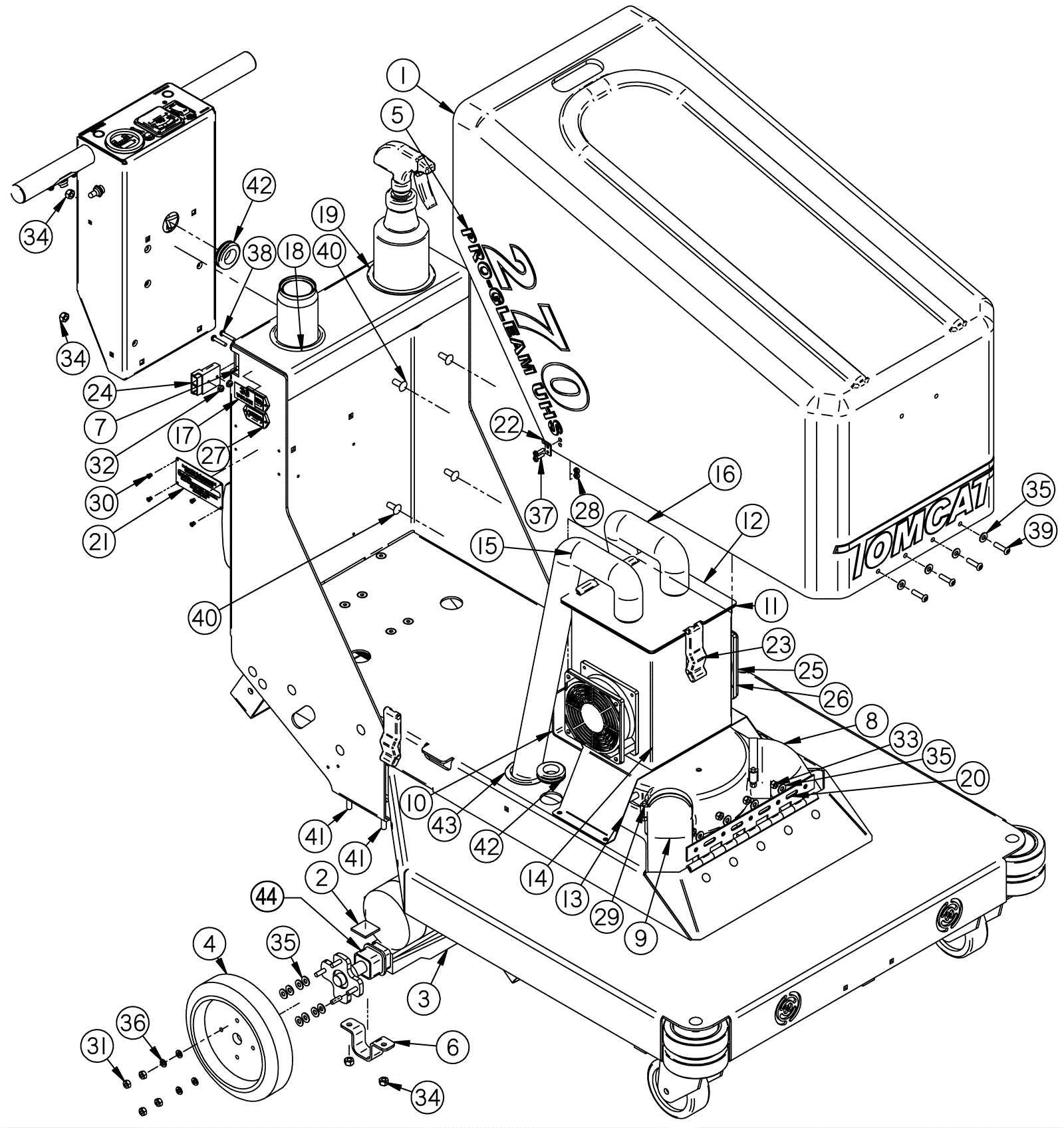
1 |
202-2844
|
200/240 Cover |
$544.94
|
1 |
|
usually ships 8-13 days |
2 |
N/A
|
Not available |
Call for price
|
2 |
(shock absorption pad) |
usually ships 3-26 days |
3 |
202-2826
|
36V Transaxle |
$1,095.60
|
1 |
|
usually ships 8-13 days |
4 |
202-2827
|
Wheel |
$106.48
|
2 |
|
usually ships 8-13 days |
5 |
202-7104
|
Decal,270 |
$40.26
|
2 |
|
usually ships 8-13 days |
6 |
202-0911
|
Axle mount |
$18.70
|
2 |
|
usually ships 1-5 days |
7 |
202-0721
|
Microswitch |
$16.39
|
1 |
|
ships same day |
8 |
202-2280
|
Hose 2.5 x 18 inch |
$53.46
|
1 |
|
usually ships 1-5 days |
9 |
202-2280
|
Hose 2.5 x 18 inch |
$53.46
|
1 |
|
usually ships 1-5 days |
10 |
202-3408
|
Battery tray bracket |
$36.19
|
1 |
|
usually ships 8-13 days |
11 |
202-2959
|
Dust bags |
$59.62
|
1 |
|
usually ships 8-13 days |
12 |
202-5189
|
Vacuum box lid |
$126.06
|
1 |
|
usually ships 1-5 days |
13 |
202-5190
|
Vacuum box bracket |
$113.08
|
1 |
|
usually ships 1-5 days |
14 |
202-5191
|
Vacuum box |
$162.58
|
1 |
|
usually ships 1-5 days |
15 |
202-2901
|
Vacuum hose with curved hose cuffs |
$53.68
|
1 |
|
usually ships 8-13 days |
16 |
202-2901
|
Vacuum hose with curved hose cuffs |
$53.68
|
1 |
|
usually ships 8-13 days |
17 |
202-5154
|
Decal |
$5.50
|
1 |
|
usually ships 1-5 days |
18 |
202-5192
|
Cup holder |
$13.31
|
1 |
|
usually ships 8-13 days |
19 |
202-5192
|
Cup holder |
$13.31
|
1 |
|
usually ships 8-13 days |
20 |
202-2377
|
11 inch hinge |
$40.92
|
1 |
|
usually ships 1-5 days |
21 |
202-0720
|
Serial number plate |
$4.68
|
1 |
|
usually ships 1-5 days |
22 |
202-1487
|
Latch |
$30.68
|
2 |
|
usually ships 8-13 days |
23 |
202-1487
|
Latch |
$30.68
|
1 |
|
usually ships 8-13 days |
24 |
202-2009
|
50amp connector (gray) |
$25.19
|
1 |
|
usually ships 8-13 days |
25 |
202-1282
|
Fan cover |
$11.22
|
2 |
|
usually ships 8-13 days |
26 |
202-2522
|
48V cooling fan |
$132.00
|
2 |
|
usually ships 8-13 days |
27 |
202-0376
|
Hour meter |
$90.20
|
2 |
|
usually ships 8-13 days |
28 |
999-1036
|
Nut 8-32 hex NTM nylon insert jam lock stainless steel |
$0.99
|
4 |
|
ships same day |
29 |
997-2003
|
Hose clamp |
$2.66
|
2 |
|
ships same day |
30 |
202-3315
|
Blind rivet |
$5.50
|
4 |
|
usually ships 1-5 days |
31 |
999-0609
|
Nut 1/4-20 hex stainless steel |
$0.99
|
8 |
|
ships same day |
32 |
999-0086
|
Nut 10-32 nylon insert lock zinc plated |
$0.99
|
2 |
|
ships same day |
33 |
999-0294
|
Nut 1/4-20 hex nylon lock type NE stainless steel |
$1.18
|
4 |
|
ships same day |
34 |
999-0423
|
Nut 5/16-18 nylon insert lock stainless steel |
$0.99
|
8 |
|
ships same day |
35 |
999-0335
|
Washer 1/4 x 5/8 SAE flat stainless steel |
$0.99
|
24 |
|
ships same day |
36 |
999-0632
|
Washer 1/4 split lock stainless steel |
$0.99
|
8 |
|
ships same day |
37 |
999-0358
|
Screw 8-32 x 5/8 pan head phillips stainless steel |
$0.99
|
4 |
|
ships same day |
38 |
999-0870
|
Screw 8 x 3/4 pan head phillips stainless steel |
$0.99
|
2 |
|
ships same day |
39 |
999-1294
|
Screw 1/4-20 x 1 button head socket cap stainless steel |
$0.99
|
4 |
|
ships same day |
40 |
999-0967
|
Bolt 5/16-18 x 3/4 carriage head stainless steel |
$2.16
|
4 |
|
ships same day |
41 |
999-9066
|
Bolt 5/16-18 x 1 carriage head stainless steel |
$1.34
|
4 |
|
ships same day |
42 |
202-2592
|
Grommet |
$5.50
|
2 |
|
usually ships 8-13 days |
43 |
202-2592
|
Grommet |
$5.50
|
2 |
|
usually ships 8-13 days |
44 |
202-1628
|
MOUNTING SLEEVE |
$5.50
|
1 |
|
usually ships 1-5 days |