| # | Part | Description | Price | Req | Notes | Availability |
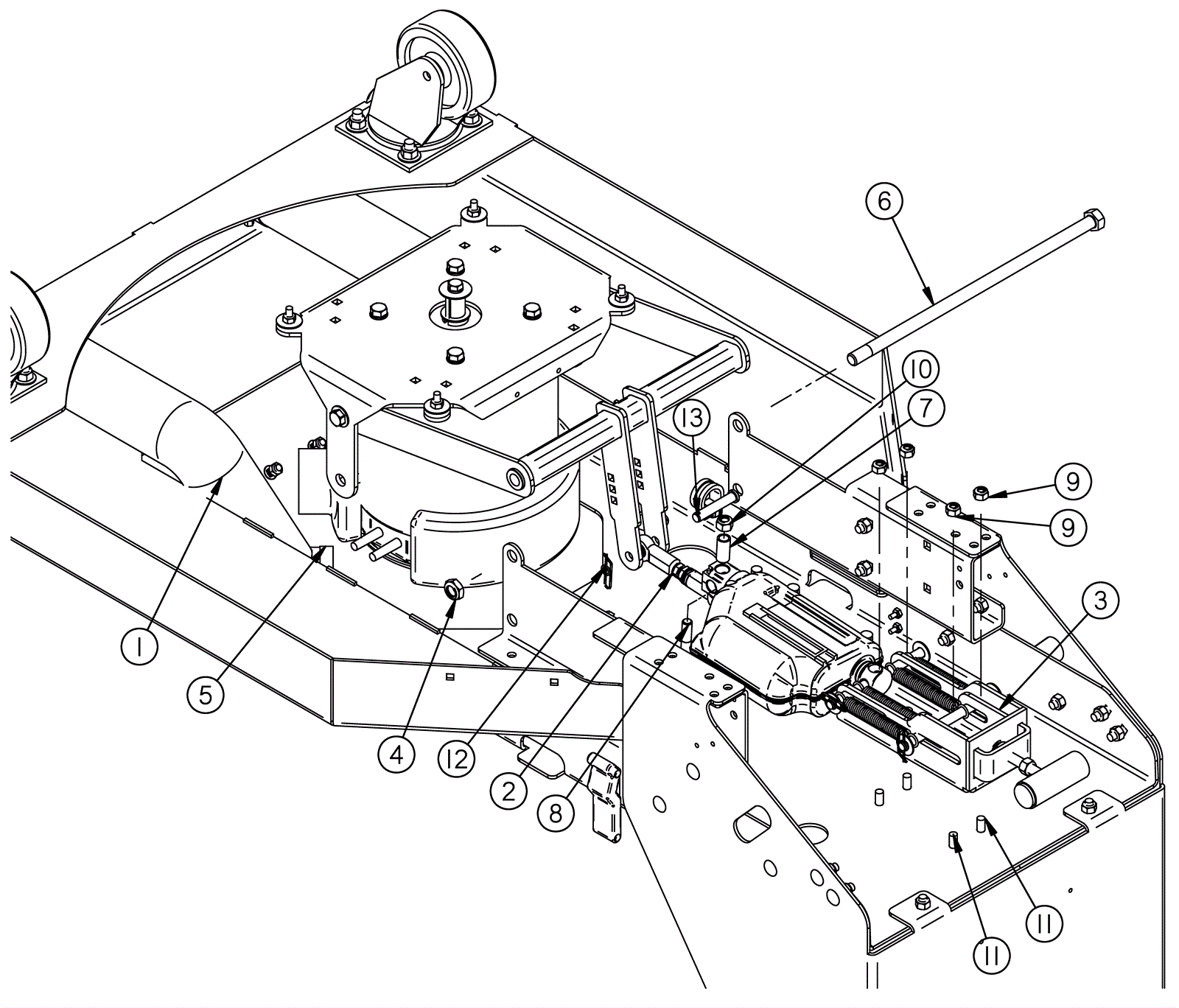
1 |
202-2280
|
Hose 2.5 x 18 inch |
$53.46
|
1 |
|
usually ships 1-5 days |
2 |
202-5186
|
Adjustable lateral arm (OBSOLETE) |
$4.62
|
1 |
|
usually ships 1-5 days |
3 |
202-2830
|
200 Actuator slide assembly (OBSOLETE) |
$323.29
|
1 |
|
usually ships 1-5 days |
4 |
999-9119
|
Nut 1/2-13 nylon hex jam |
$1.98
|
1 |
|
usually ships 16-20 days |
5 |
997-2003
|
Hose clamp |
$2.66
|
4 |
|
ships same day |
6 |
999-1287
|
Screw 1/2-13 x 13 hex head grade 8 yellow zinc |
$11.84
|
1 |
|
usually ships 16-20 days |
7 |
202-1951
|
Sleeve |
$5.50
|
1 |
|
usually ships 8-13 days |
8 |
202-2211
|
Screw 3/8-16 x 2 hex cap stainless steel |
$5.50
|
1 |
|
usually ships 1-5 days |
9 |
999-0423
|
Nut 5/16-18 nylon insert lock stainless steel |
$0.99
|
6 |
|
ships same day |
10 |
999-1482
|
Nut 3/8-16 nylon lock stainless steel |
$1.06
|
1 |
|
ships same day |
11 |
202-2831
|
Screw 5/16-18 x 3/4 flat head socket stainless steel |
$5.50
|
4 |
|
usually ships 8-13 days |
12 |
202-2036
|
Cotter pin |
$5.50
|
1 |
|
usually ships 8-13 days |
13 |
202-5193
|
Clevis pin 3/8 x 2 |
$5.50
|
1 |
|
usually ships 8-13 days |