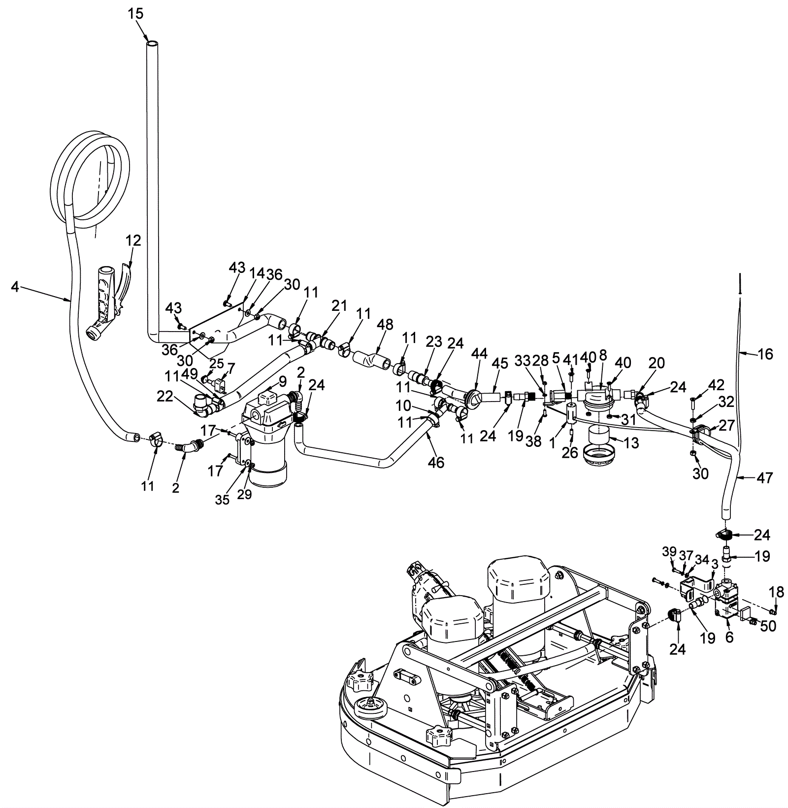
| # | Part | Description | Price | Req | Notes | Availability |
1 |
202-5567
|
Cable guide |
$72.93
|
1 |
|
usually ships 1-5 days |
2 |
202-1008
|
Barbed elbow |
$21.67
|
2 |
|
usually ships 8-13 days |
3 |
202-3058
|
Valve bracket |
$21.34
|
1 |
|
usually ships 8-13 days |
4 |
202-0104
|
18 foot rubber hose (blue) |
$139.92
|
1 |
|
usually ships 8-13 days |
5 |
202-3057
|
Ball valve |
$39.16
|
1 |
|
ships same day |
6 |
202-3038
|
36V solenoid valve |
$163.90
|
1 |
|
ships same day |
7 |
202-0097
|
Toggle switch |
$16.39
|
1 |
|
ships same day |
8 |
202-3234
|
Inline filter |
$84.15
|
1 |
|
ships same day |
9 |
202-2368
|
36V water jet pump |
$970.86
|
1 |
|
ships same day |
10 |
202-0332
|
1/2 inch barbed tee |
$5.50
|
1 |
|
ships same day |
11 |
202-1031
|
Clamp |
$7.04
|
9 |
|
usually ships 8-13 days |
12 |
202-0103
|
Spray nozzle |
$88.00
|
1 |
|
usually ships 8-13 days |
13 |
202-2874
|
Filter screen |
$47.41
|
1 |
|
usually ships 8-13 days |
14 |
202-5568
|
Rear frame curtain |
$21.34
|
1 |
|
usually ships 1-5 days |
15 |
202-5569
|
Rear sight tube |
$76.01
|
1 |
|
usually ships 8-13 days |
16 |
202-5570
|
Pilot valve cable |
$21.34
|
1 |
|
usually ships 8-13 days |
17 |
999-1570
|
Bolt 10-32 x 1 1/4 round head carriage stainless steel |
$1.97
|
3 |
|
usually ships 1-5 days |
18 |
202-2589
|
Nut 10-32 crimp hex |
$5.50
|
2 |
|
usually ships 1-5 days |
19 |
202-3236
|
Threaded barb |
$5.50
|
3 |
|
usually ships 8-13 days |
20 |
202-3059
|
Elbow barb |
$5.50
|
1 |
|
usually ships 8-13 days |
21 |
202-5571
|
3/4 inch plastic barb tee |
$5.50
|
1 |
|
usually ships 1-5 days |
22 |
202-0884
|
Barbed elbow |
$5.50
|
1 |
|
usually ships 8-13 days |
23 |
202-5145
|
Coupling |
$5.50
|
1 |
|
usually ships 1-5 days |
24 |
202-0680
|
Hose clamp |
$5.50
|
6 |
|
usually ships 8-13 days |
25 |
202-1865
|
Toggle switch protective boot (blue) |
$13.75
|
1 |
|
usually ships 8-13 days |
26 |
999-1468
|
Screw 1/4-20 x 1/2 knurled point set alloy steel |
$0.99
|
1 |
|
ships same day |
27 |
202-3175
|
P clamp |
$9.35
|
1 |
|
usually ships 1-5 days |
28 |
999-0337
|
Nut 6-32 nylon insert lock stainless steel |
$0.99
|
1 |
|
ships same day |
29 |
999-0086
|
Nut 10-32 nylon insert lock zinc plated |
$0.99
|
1 |
|
ships same day |
30 |
999-0294
|
Nut 1/4-20 hex nylon lock type NE stainless steel |
$1.18
|
3 |
|
ships same day |
31 |
202-2067
|
Nut 10-32 keps |
$5.50
|
1 |
|
usually ships 8-13 days |
32 |
999-1466
|
Nut 1/4-20 lock with external toothed lockwasher SS |
$0.99
|
1 |
|
ships same day |
33 |
999-0266
|
Washer #8 SAE flat stainless steel |
$0.99
|
1 |
|
ships same day |
34 |
999-0998
|
Washer #10 flat stainless steel |
$0.99
|
1 |
|
ships same day |
35 |
202-3316
|
Washer flat stainless steel |
$5.50
|
1 |
|
usually ships 8-13 days |
36 |
999-0335
|
Washer 1/4 x 5/8 SAE flat stainless steel |
$0.99
|
2 |
|
ships same day |
37 |
999-0998
|
Washer #10 flat stainless steel |
$0.99
|
1 |
|
ships same day |
38 |
202-2621
|
Screw 6-32 x 1/2 round head phillips |
$5.50
|
1 |
|
usually ships 8-13 days |
39 |
999-1044
|
Screw 10-32 x 3/4 pan head phillips stainless steel |
$0.99
|
1 |
|
ships same day |
40 |
999-1189
|
Screw 10-32 x 3/4 flat head phillips stainless steel |
$0.99
|
2 |
|
ships same day |
41 |
999-1571
|
Screw 1/4-20 x 3/4 flat head socket stainless steel |
$0.99
|
1 |
|
ships same day |
42 |
202-3539
|
Screw 1/4-20 x 1 fillister head stainless steel |
$5.50
|
1 |
|
usually ships 1-5 days |
43 |
202-2851
|
Bolt 1/4-20 x 5/8 inch carriage head stainless steel |
$5.50
|
2 |
|
usually ships 8-13 days |
44 |
202-2592
|
Grommet |
$5.50
|
1 |
|
usually ships 8-13 days |
45 |
202-5206
|
Valve filter (OBSOLETE) |
Call for price
|
1 |
|
usually ships 1-5 days |
46 |
202-5148
|
Tubing 1/2 x 9 inch |
$5.50
|
1 |
|
usually ships 1-5 days |
47 |
202-5573
|
Tubing 1/2 x 23 inch |
$5.15
|
1 |
|
usually ships 1-5 days |
48 |
202-5574
|
Tubing 3/4 x 5 inch |
$4.62
|
1 |
|
usually ships 1-5 days |
49 |
202-5575
|
Tubing 3/4 x 14 inch (OBSOLETE) |
Call for price
|
1 |
|
usually ships 1-5 days |
50 |
202-5208
|
Valve pad |
$5.50
|
1 |
|
usually ships 8-13 days |