| # | Part | Description | Price | Req | Notes | Availability |
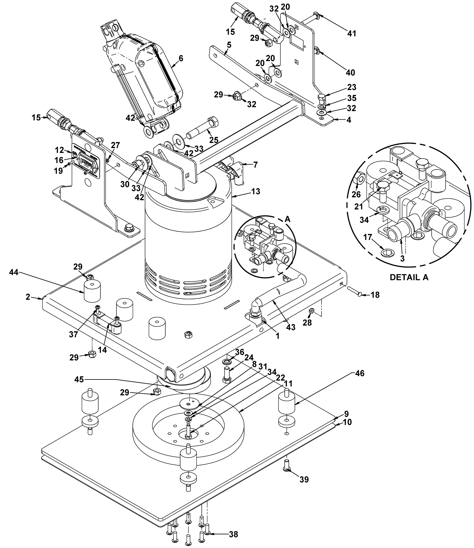
1 |
202-5527
|
20 inch feed tube kit |
$84.81
|
1 |
|
usually ships 8-13 days |
2 |
202-5350
|
20 inch micro edge deck |
$575.96
|
1 |
|
usually ships 1-5 days |
3 |
202-5351
|
Adjustable solution flow valve |
$127.16
|
1 |
|
usually ships 8-13 days |
4 |
202-5352
|
Micro edge deck bracket |
$78.43
|
2 |
|
usually ships 1-5 days |
5 |
202-5353
|
Lateral arm |
$319.11
|
1 |
|
usually ships 1-5 days |
6 |
202-4042
|
24V actuator |
$350.46
|
1 |
|
usually ships 8-13 days |
7 |
202-2961
|
Terminal cover (black) |
$5.50
|
2 |
|
usually ships 1-5 days |
8 |
202-5084
|
Crush washer |
$7.37
|
1 |
|
usually ships 8-13 days |
9 |
202-5194
|
20 inch aluminum pad driver |
$182.60
|
1 |
|
usually ships 8-13 days |
10 |
202-5089
|
Mighty-Lok II grip face pad holder set (brown) |
$160.60
|
1 |
|
ships same day |
11 |
202-5202
|
1 inch bearing gasket |
$42.79
|
1 |
|
usually ships 8-13 days |
12 |
202-5091
|
Isolator decal |
$10.78
|
1 |
|
usually ships 8-13 days |
13 |
202-5354
|
24V 1.2 HP motor |
$2,239.05
|
1 |
|
usually ships 8-13 days |
14 |
202-5098
|
2 inch bolt on level |
$5.50
|
2 |
|
usually ships 8-13 days |
15 |
202-5099
|
Adjustable lateral arm assembly |
$113.85
|
2 |
|
usually ships 8-13 days |
16 |
202-0376
|
Hour meter |
$90.20
|
1 |
|
usually ships 8-13 days |
17 |
202-5284
|
Nut 1/4-20 hex crimp long |
$5.50
|
2 |
|
usually ships 1-5 days |
18 |
999-1570
|
Bolt 10-32 x 1 1/4 round head carriage stainless steel |
$1.97
|
3 |
|
usually ships 1-5 days |
19 |
999-0983
|
Screw 4-40 x 1 pan head phillips zinc plated |
$0.99
|
2 |
|
ships same day |
20 |
202-2210
|
Washer 3/8 x 3/4 flat nylon |
$5.50
|
6 |
|
usually ships 8-13 days |
21 |
999-0633
|
Bolt 1/4-20 x 5/8 hex head stainless steel |
$0.99
|
2 |
|
ships same day |
22 |
999-0297
|
Bolt 1/4-20 x 1 hex head stainless steel |
$2.53
|
1 |
|
ships same day |
23 |
999-0547
|
Bolt 5/16-18 x 1/2 hex head stainless steel |
$0.99
|
6 |
|
ships same day |
24 |
999-0562
|
Bolt 3/8-16 x 1 hex head stainless steel |
$1.50
|
4 |
|
ships same day |
25 |
999-1113
|
Bolt 1/2-13 x 2 1/2 hex cap stainless steel |
$3.67
|
1 |
|
ships same day |
26 |
999-0651
|
Nut 1/4-28 hex stainless steel |
$0.99
|
1 |
|
ships same day |
27 |
999-0295
|
Nut 4-40 nylon insert lock stainless steel |
$0.99
|
2 |
|
ships same day |
28 |
999-0086
|
Nut 10-32 nylon insert lock zinc plated |
$0.99
|
3 |
|
ships same day |
29 |
999-0423
|
Nut 5/16-18 nylon insert lock stainless steel |
$0.99
|
12 |
|
ships same day |
30 |
999-1208
|
Nut 1/2-13 nylon insert lock stainless steel |
$2.53
|
1 |
|
ships same day |
31 |
999-0335
|
Washer 1/4 x 5/8 SAE flat stainless steel |
$0.99
|
1 |
|
ships same day |
32 |
999-0549
|
Washer 5/16 x 3/4 SAE flat stainless steel |
$0.99
|
10 |
|
ships same day |
33 |
999-0559
|
Washer 1/2 x 1/4 flat stainless steel |
$0.99
|
2 |
|
ships same day |
34 |
999-0632
|
Washer 1/4 split lock stainless steel |
$0.99
|
3 |
|
ships same day |
35 |
999-0553
|
Washer 5/16 medium split lock stainless steel |
$0.99
|
6 |
|
ships same day |
36 |
999-0659
|
Washer 3/8 medium split lock stainless steel |
$0.39
|
4 |
|
ships same day |
37 |
999-0916
|
Screw 8-32 x 1/2 pan head phillips stainless steel |
$0.99
|
4 |
|
ships same day |
38 |
999-0867
|
Bolt 1/4-20 x 3/4 button head socket cap stainless steel |
$0.99
|
8 |
|
ships same day |
39 |
202-2372
|
Bolt 5/16-18 x 3/4 inch button head socket cap |
$5.50
|
4 |
|
usually ships 1-5 days |
40 |
999-9066
|
Bolt 5/16-18 x 1 carriage head stainless steel |
$1.34
|
2 |
|
ships same day |
41 |
999-1370
|
Bolt 5/16-18 x 1 1/2 carriage head stainless steel |
$0.99
|
2 |
|
usually ships 1-5 days |
42 |
999-0566
|
Washer 1/2 flat nylon |
$0.99
|
4 |
|
ships same day |
43 |
202-5147
|
Tubing 1/2 x 7 inch (OBSOLETE) |
$4.62
|
1 |
|
usually ships 1-5 days |
44 |
202-5111
|
Isolator kit (pkg of 6) |
$79.31
|
1 |
(includes 6 isolators, 6 bolts, 6 washers, 6 lock washers and 6 nylok nuts) |
usually ships 8-13 days |
45 |
202-9586
|
Eccentric kit with hardware and loctite for scrubbers |
$285.78
|
1 |
|
usually ships 8-13 days |
46 |
202-5444
|
20 and 24 inch isolator kit (pkg of 4) |
$116.82
|
1 |
(includes 4 isolators, 1 hour meter, 4 bolts, 4 nuts, 1 gasket and 1 sticker seal) |
usually ships 8-13 days |