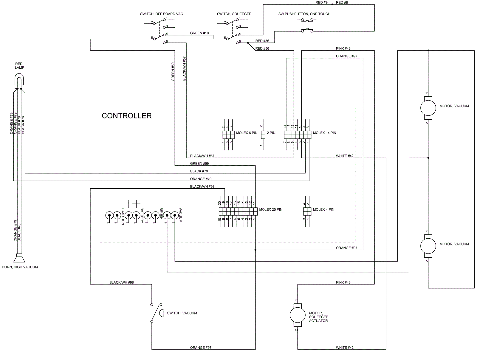
Wiring Diagram - Vacuum System
Click to enlarge