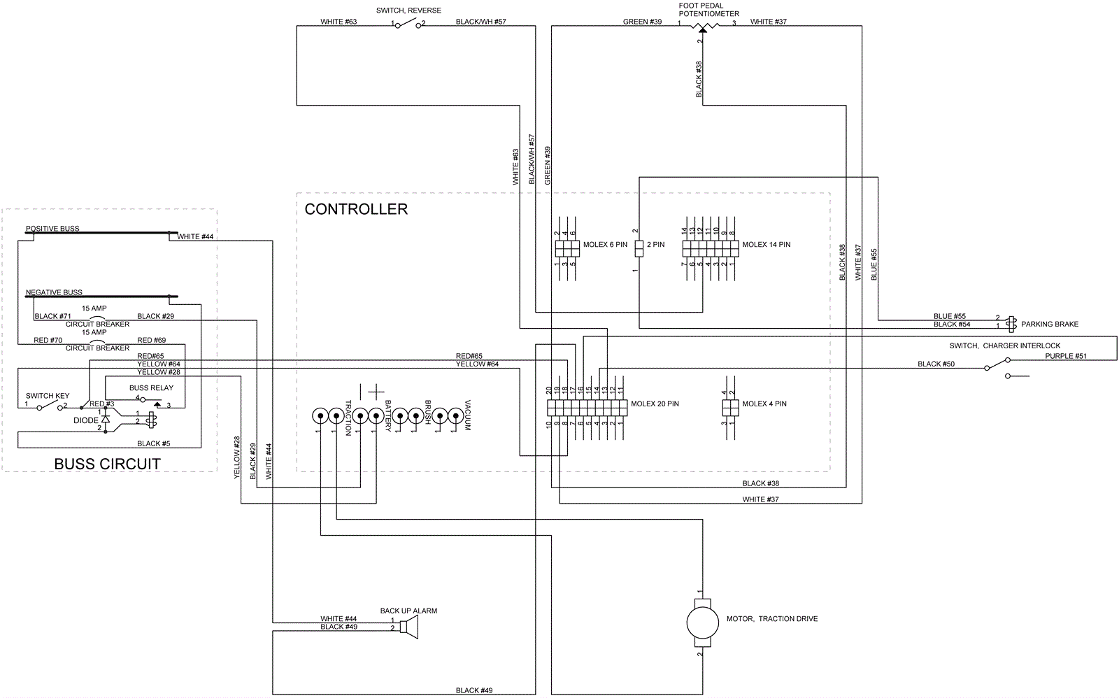
Wiring Diagram - Traction System
Click to enlarge