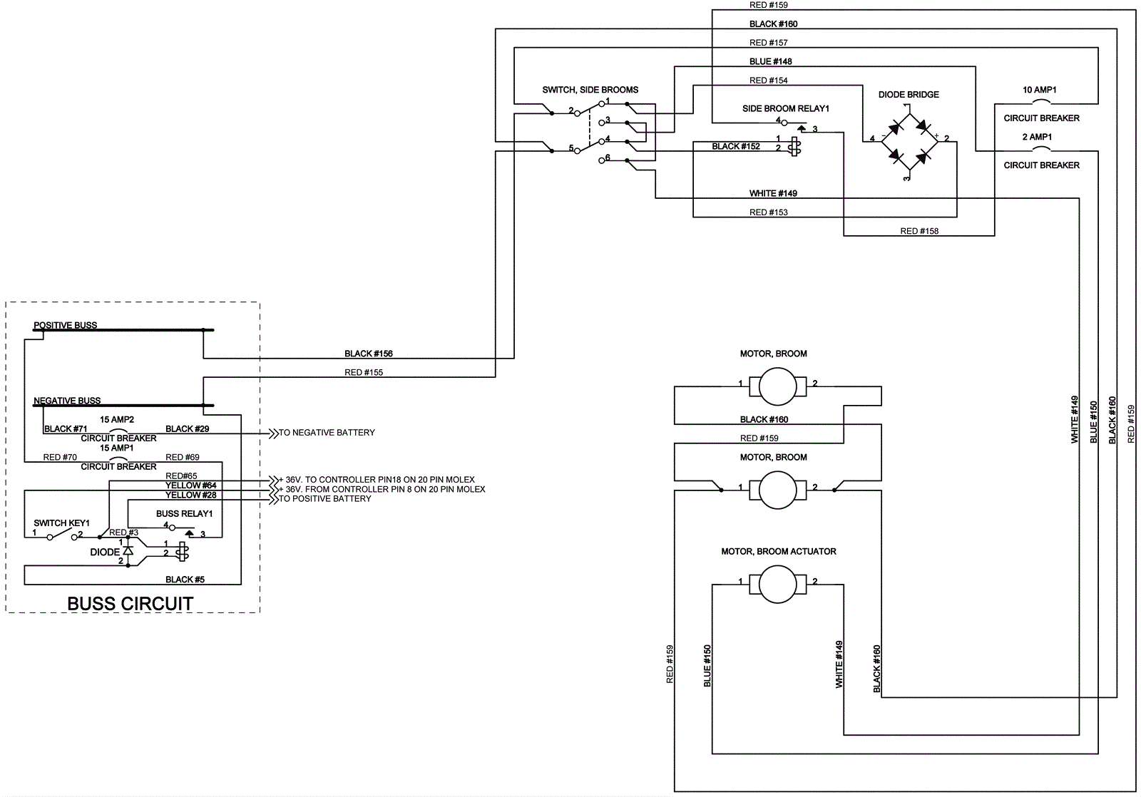
Wiring Diagram - Side Broom
Click to enlarge