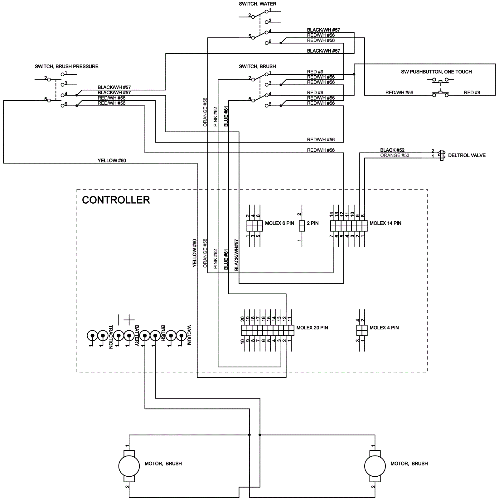
Wiring Diagram - Scrub System
Click to enlarge