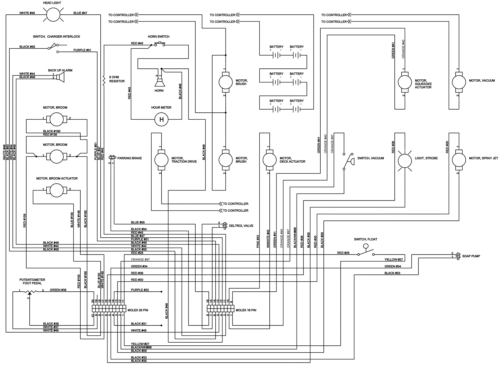
Wiring Diagram - Motors
Click to enlarge